Thorlabs索雷博 LA4924-AB 紫外熔融石英平凸球透镜
特性
- 材料:紫外级熔融石英
- 增透膜用于400 - 1100 nm
- 焦距范围:10 - 2500 mm
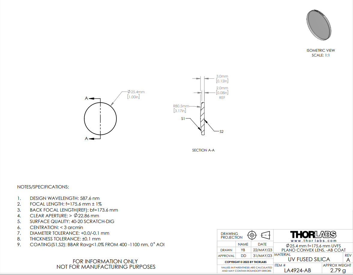
这些紫外级熔融石英平凸透镜有多种尺寸,范围从Ø5 mm到Ø75 mm(见表1.1),且两面镀有增透膜,适用波长范围为400 - 1100 nm。由于紫外级熔融石英在深紫外波长范围具有高透射率,同时在激光诱导下几乎没有荧光发射(用193 nm测试过),因此非常适合从紫外到近红外应用。此外,紫外级熔融石英比N-BK7玻璃的均匀度更好,热膨胀系数更低。
平凸透镜可以聚焦准直光束,或准直点光源的光。为了最大程度地减少球差,聚焦光束时,应该将准直光入射在透镜的曲面,而在准直光束时,则应该让点光源入射在平面。当成像质量不是非常重要时,平凸透镜也可以替代消色差双合透镜。
每个透镜的焦距可以通过简化的厚透镜公式来计算:
f = R/(n-1),
其中,n是折射率,好的是透镜表面的曲率半径。这些透镜由阿贝数为67.82的紫外级熔融石英制成;阿贝数是色散指标。
这些平凸透镜上镀的增透膜特别适合多个光学元件的应用。由于未镀膜的基底每个表面约有4%的反射率,镀增透膜能改善透过率,这在弱光应用中特别重要,能防止与多次反射有关的不良影响(比如重影)。
虽然平凸透镜和双凸透镜都可以聚焦准直光,但如果想要获得低于0.2或者大于5的绝对放大率,通常倾向于选择平凸透镜。当需要的放大率介于0.2和5之间时,使用双凸透镜比较合适。
索雷博提供固定式透镜安装座,用于安装这里所售的透镜。如要安装有些尺寸的高曲率透镜,我们提供带有SM05(0.535"-40)、SM1(1.035"-40)或SM2(2.035"-40)螺纹的特厚卡环,能够为卡环扳手提供更多的间隙(更多信息,请看安装选项标签)。
我们也提供未镀膜和镀紫外膜的紫外熔石英透镜套件。
| UVFS 平凸透镜选型指南 |
|---|
| 未安装的镜片 | 安装式镜头 |
| 未经涂层的 | 无涂层的 |
| UV涂层(245 - 400纳米) | 紫外线涂层(245 - 400 纳米) |
| 涂层(350 - 700 纳米) | 涂层(350 - 700纳米) |
| -AB涂层(400 - 1100纳米) | AB涂层(400 - 1100 纳米) |
| T1 纹理表面(400 - 1100 纳米) | T1 纹理表面(400 - 1100 纳米) |
| B涂层(650 - 1050纳米) | B涂层(650 - 1050纳米) |
| C涂层(1050 - 1700 纳米) | C涂层(1050 - 1700纳米) |
| -405 纳米减反射镀膜(405纳米) | - |
| -532 V型镀膜(532 纳米) | - |
| YAG 增透膜(532/1064 纳米) | YAG 镀V膜(532/1064 nm) |
| -1064 防反射镀膜(1064 纳米) | - |
| -1550 镀膜(1550 纳米) | - |
可以定制镀膜。
| 表1.1 常见规格 |
|---|
| 可用直径 | 5毫米、6毫米、1/2英寸、1英寸、2英寸及75毫米 |
| 镜片形状 | 平凸 |
| 基板材料 | 紫外级熔融石英a |
| AR镀膜范围 | 400 - 1100 纳米(-AB镀膜) |
涂层反射率 平均范围 @ 0° 入射角
| < 1.0% |
| 设计波长 | 587.6纳米 |
| 折射率 | 1.458 @ 587.6 纳米 |
表面平整度 普莱诺侧 | 半波长b |
球面屈光度 凸面c | 3λ/2b |
表面不规则 峰谷值 | 1/4波长b |
| 直径公差 | +0.0 毫米 / -0.1 毫米 |
| 厚度公差 | ±0.1毫米 |
| 表面质量 | 40-20划痕-麻点 |
| 集中 | 3 角分 |
| 损伤阈值d | 7.5 焦耳/平方厘米2(532纳米,10纳秒,10赫兹,直径0.362毫米) 7.5 焦耳/平方厘米2(1064纳米,10纳秒,10赫兹,直径0.445毫米) |
| 阿贝数 | 67.82 |
| 净通光孔径 | 90%以上的Diameter |
| 焦距公差 | ±1% |
- 点击链接查看详细的基底规格。
- λ = 633 纳米
- 类似于平面光学元件的表面平整度,光圈数(surface power)为球面光学元件的表面相对校准基准的偏差。此参数也常称为曲面拟合。
- 受增透膜限制;详情请参考损伤阈值标签。

点击放大
点击这里原始数据
图2.1:这是入射光垂直于10 mm厚未镀膜紫外级熔融石英样品表面的透过率曲线。
请注意,这是实际测量的透过率结果,包含了表面反射。
防反射膜:
这些高性能的多层增透膜在指定波长范围内的平均反射率低于1.0%(每个表面)。这些镀膜对于0°和30°之间的入射角(AOI)都有高性能。图2.2是本页出售透镜的-AB镀膜的详细AR膜曲线图。对于在较大入射角下使用的光学元件,请考虑订购针对45°入射角优化的定制镀膜;建议将此定制膜用于入射角25°至52°的情况。
点击放大
点击这里对于原始数据
图2.2:蓝色阴影区域表示指定的400 - 1100 nm范围内性能最佳。
其他AR膜:
Thorlabs提供以各种波长为中心的V形膜和用于UV、可见光或NIR的宽带增透膜(如图2.3所示)。点击这里查看紫外级熔融石英平凸透镜的所有镀膜选项。

图2.3:Thorlabs标准宽带增透膜(8° AOI)的反射率曲线图。

联系电话 : 0755-83317774 移动电话 : 18938648240 Email : 1605935956@qq.com QQ : 1605935956