HIKROBOT 海康机器人 CY-A16M-06S-RBP 工业读码器
功能特性
极小型化,适应各类型机台及紧凑工位
航空插头设计,单一线缆连接,走线简易
自带LED瞄准,明确指示目标视野,安装调试快捷
外部调焦旋钮,对焦平面可视化
丰富的IO接口和直插式电源接口,方便现场接线
订货型号
MV-ID2016M-06S-WBN
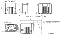
外形尺寸

*产品所涉数据可能因环境等因素而产生差异,本公司不承担由此产生的后果。
| 型号 | 型号 | CY-A16M-06S-RBP |
| 名称 | 160 万像素极小型智能读码器 |
| 性能 | 条码类别 | 一维码:Code 39,Code 93,Code 128,ITF14, ITF25, CodaBar,EAN,UPCA,UPCE 等 二维码:QR ,DM 等 |
| 最大处理帧率 | 60 fps |
| 最大读取速度 | 31 个码/秒 |
| 传感器类型 | CMOS,全局快门 |
| 像元尺寸 | 3.45 µm × 3.45 µm |
| 靶面尺寸 | 1/2.9” |
| 分辨率 | 1408 × 1024 |
| 曝光时间 | 16 μs ~ 1 sec |
| 增益 | 0 ~ 15 dB |
| 黑白/彩色 | 黑白 |
| 通讯协议 | SmartSDK,TCP Client,Serial ,FTP ,HTTP,TCP Server, Profinet ,MELSEC, Ethernet/IP ,ModBus ,UDP ,Fins,SLMP |
| 光学 | 焦距 | 6 mm |
| 工作距离 | 40 ~ 120 mm,支持通过顶部调焦旋钮,手动调节对焦距离 |
| 环境光照 | 0 ~ 50000 lux |
| 光源 | 红色(偏振) |
| 瞄准器 | 绿光 LED |
| 电气特性 | 数据接口 | Fast Ethernet(100 Mbit/s) |
| 数字 I/O | 17-pin M12 接口提供电源和 I/O:包含 4 路非隔离双向 I/O(默认配置为 2 路输入, 2 路输出), 1 路 RS-232,支持通过侧面按钮触发设备 |
| 供电 | 12 ~ 24V |
| 最大功耗 | 10.6 W@24 VDC |
| 结构 | 指示灯 | 电源指示灯 PWR, 网络指示灯 LNK,状态指示灯 STS |
| 外形尺寸 | 46 mm × 38 mm × 25 mm |
| 重量 | 约 160 g |
| IP 防护等级 | IP65 |
| 温度 | 工作温度 0 ~ 50℃,储藏温度-30 ~ 70℃ |
| 湿度 | 20% ~ 95%RH 无冷凝 |
| 一般规范 | 软件 | IDMVS |
| 认证 | CE 、FCC 、RoHS |
联系电话 : 0755-83317774 移动电话 : 18938648240 Email : 1605935956@qq.com QQ : 1605935956