LOTS乐视 LTS-LIN23252-R 线光源
产品型号 | LTS-LIN23252-R | LTS-LIN23252-W | LTS-LIN23252-B | LTS-LIN23252-G |
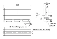
产品类型 | 线光源 |
LED类型 | 大功率LED | 大功率LED | 大功率LED | 大功率LED |
颜色 | 红色 | 白色 | 蓝色 | 绿色 |
波长 | 620-635nm | -- | 465-470nm | 525-530nm |
色温 | -- | 6600K | -- |
|
功率 | 52.8W | 52.8W | 52.8W | 52.8W |
输入电压 | DC 24V max. |
线缆长度 | 0.5m |
使用温度和湿度 | 温度 : 0 to 40ºC,湿度 : 20 to 85%RH(非凝结) |
配套电源(可选) | 1.LTS-APC24120-1(大功率控制器) |
配套线缆(可选) | 1.LTS-EX系列(光源延长线) 2.LTS-TS系列(接头转接线) 3.LTS-SE系列(接头分接线) |

联系电话 : 0755-83317774 移动电话 : 18938648240 Email : 1605935956@qq.com QQ : 1605935956