SVS-Vistek视微力科 exo253CU3 工业相机
| 规格 |
| 分辨率 [MP] | 12.3 万像素 |
| 分辨率 (hxv) | 4096 x 3000 像素 |
| 帧速率(最大) | 30 帧每秒 |
| 色度 | 颜色 |
| 界面 | USB3 Vision (Micro-B) |
| 传感器 |
| 传感器 | IMX253LQR |
| 制造商 | 索尼 |
| 传感器类型 | 区域 CMOS |
| 快门类型 | 全局快门 |
| 传感器尺寸(高 x 宽) | 14.13 x 10.35 毫米 |
| 光学对角线 | 17.52 毫米 |
| 传感器格式 | 1.1” |
| 像素大小 (hxv) | 3.45 x 3.45 微米 |
| 相机 |
| 曝光模式 | 手动;自动;外部 |
| 触发模式 | 内部;软件;外部 |
| 曝光时间(分钟) | 28 微秒 |
| 曝光时间(最大) | 10 秒(外部∞) |
| 像素格式/最大 | bayer8、bayer12packed/12 位 |
| 增益模式/最大 | 手动,自动 / 48 dB |
| 信噪比(最大) | 39.6 dB (取决于环境) |
| 动态范围(最大) | 72 dB (取决于环境) |
| 内部存储器 | 256 MB SDRAM,32 MB 闪存 |
| 功能集 |
| 手动白平衡 | 是的 |
| 自动白平衡 | 是的 |
| 光学检查 | 是的 |
| 查找表 | 是的 |
| 抵消 | 是的 |
| 分箱 | 是的 |
| 图像翻转 | 是的 |
| 阴影校正 | 是的 |
| 缺陷像素校正 | 是的 |
| 序列发生器 | 是的 |
| 住房 |
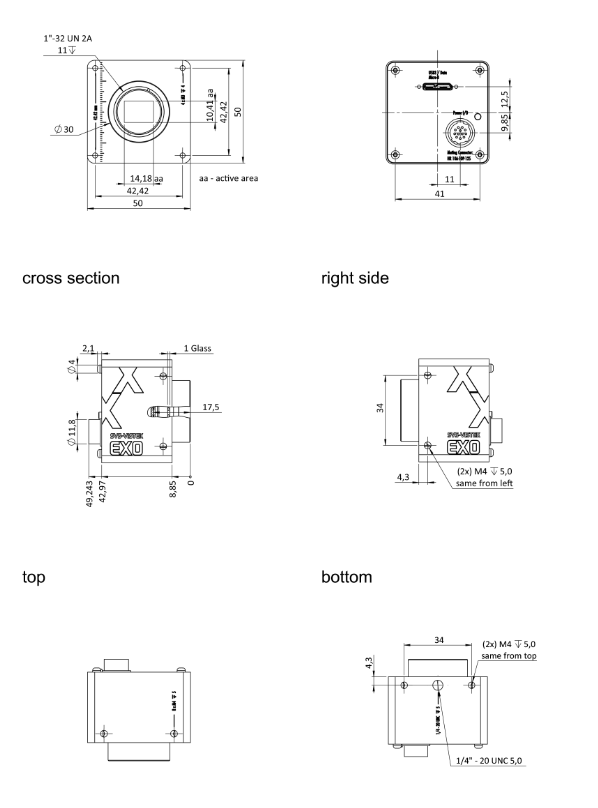
| 镜头卡口 | C 接口 |
| 尺寸(宽 x 高 x 深) | 50 x 50 x 43 毫米 |
| 重量 | 138 克 |
| 工作温度(外壳) | -10 至 60 °C |
| 环境湿度 | 10 至 90% (无凝结) |
| 防护等级 | IP40 |
| 滤光片/盖玻片 | 红外截止 - 680nm |
| I/O 接口 |
| 输入高达 24V | 2 x |
| 输入光耦 | 1 x |
| 输出开漏 | 4 x |
| 输入/输出 RS-232 | 1 x |
| 电源 | 10 至 25 V(直流) |
| 功耗 | 4.5 W (取决于操作模式) |

联系电话 : 0755-83317774 移动电话 : 18938648240 Email : 1605935956@qq.com QQ : 1605935956