IRAYPLE 大华华睿 L5087MKA70 线阵工业相机
● CameraLink支持Full,Medium,Base,Deca模式,最大可提供6.8Gbps理论带宽;
● 支持外部触发,自由运行等多种触发模式;
● 支持伽马矫正,LUT等 ISP 功能;
● 兼容CameraLink协议和GenICam标准;
● 支持DC24V宽压供电;
● 符合CE,FCC,RoHS认证。
基本参数
传感器
8 K
传感器类型
CMOS
快门类型
Global
分辨率
8192 × 4
行频
100 kHz
位深
10
黑白/彩色
黑白
像元
5 μm × 5 μm
图像参数
像素
8192×4
信噪比
40 db
动态范围
62 db
图像格式
Mono8/10
ROI
支持
X翻转
支持
增益
1~32
伽马
范围0~4,支持LUT
快门曝光
3 μS~100 mS
图像采集模式
软触发/外部触发/自由运行
FPN
支持
成像模式
single_line,2TDI,4TDI
性能参数
配置通道
支持2组用户自定义配置保存
支持时钟
34 51 68 85 MHz
接口参数
接口
CameraLink
GPIO接口
4路差分输入输出,1路光耦隔离输入输出
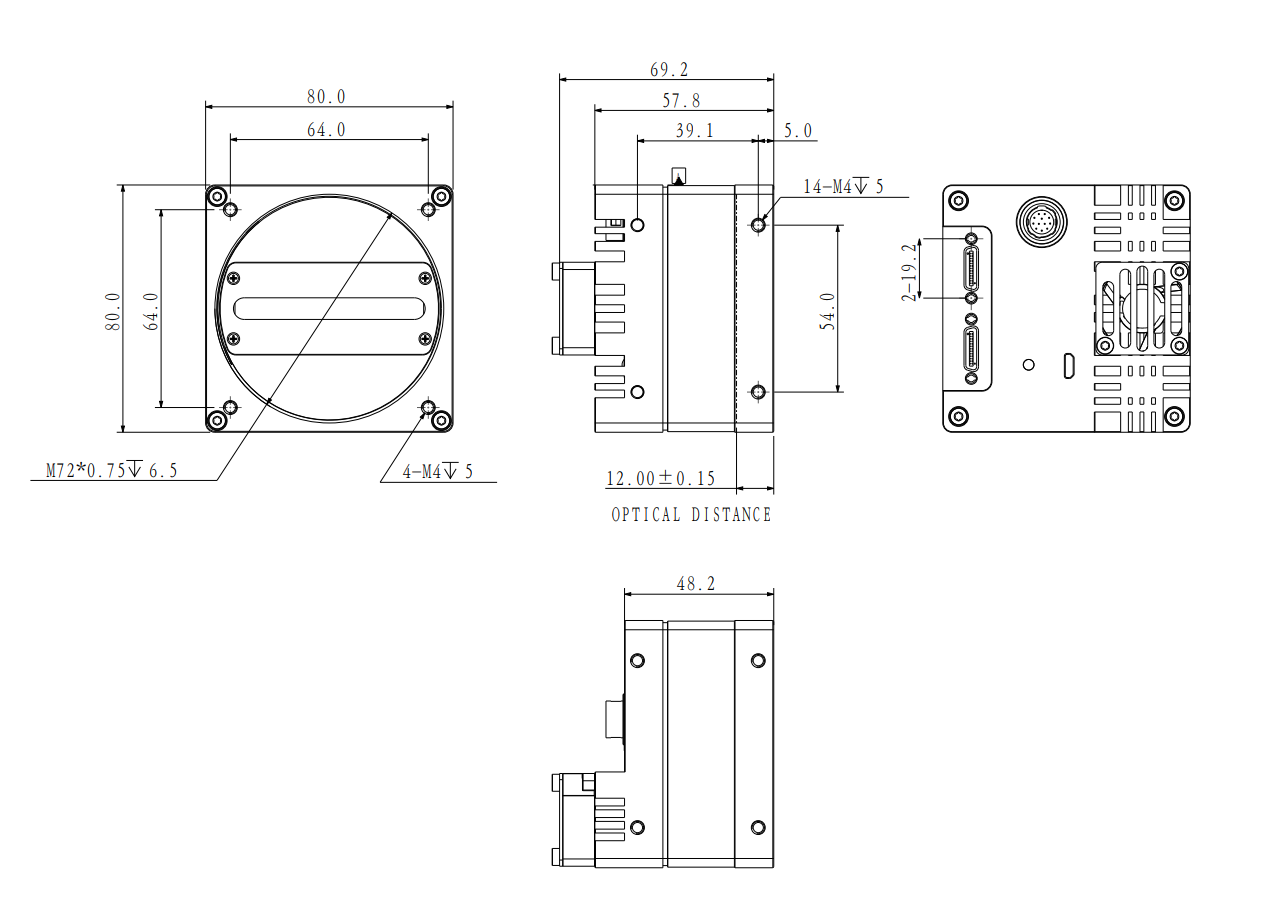
镜头接口
M72
电源参数
供电方式
通过12芯Hirose接口供电,DC24V
功耗
11.5 W
结构参数
环境参数
储存温度
- 30℃~+80℃
工作温度
- 30℃~+50℃

联系电话 : 0755-83317774 移动电话 : 18938648240 Email : 1605935956@qq.com QQ : 1605935956