AVENIR精工 SL 10200M 工业镜头
| Model No | SL 10200A | SL 10200P | SL 10200M |
| Image Format Cover | 1/2" ~ 1/3" |
| 焦点距离 | 10 ~ 200 mm |
| MAX光圈比率 | 1 : F1.8 |
| Iris光圈 | 操作 | 视频驱动 | 电机拉动 |
| Iris Range | F1.8 ~ 360 | F1.8 ~ Close |
| 速度 | 0.2 S |
| 输入电压 | DC 8 ~ 16V Max. 30mA | DC 12V Max. 50mA |
| 灵敏度调整 | 0.5 ~ 1.0VP-P | * * * |
| Focus 焦点 | 控制方式 | 电动 | 电动/预置 | 电动 |
| 速度 | 0.4 S |
| 输入电压 | DC 12V Max. 50mA |
| ZOOM 变焦 | 控制方式 | 电动 | 电动/预置 | 电动 |
| 速度 | 0.4 S |
| 输入电压 | DC 12V Max. 50mA |
Angle Field of View (D×H×V) | 1/3 inch | Wide | 33.5° × 26.8° × 20.1° |
| Tele | 1.8° × 1.4° × 1.1° |
| 1/2 inch | Wide | 44.4° × 35.7° × 26.8° |
| Tele | 2.3° × 1.9° × 1.4° |
| 2/3 inch | Wide | * * * |
| Tele | * * * |
| 1 inch | Wide | * * * |
| Tele | * * * |
| Minimum Object Distance | 1.5 m |
| Back Focal Length | 14.39 mm |
| Effective Diameter | Front | φ57.0 mm |
| Rear | φ13.8 mm |
| Filter Screw size | M62.0 P=0.75 |
| Mount / Flange Back | C / 17.526mm |
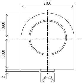
| Mechanical Dimension (W×H×L) | 78.0mm × 92.0mm × 159.5mm |
| Weight | 880.0g | 920.0g | 860.0g |
| Application Temperature Range | -10°C ~ +50°C (+14°F ~ +122°F) |
规格图

联系电话 : 0755-83317774 移动电话 : 18938648240 Email : 1605935956@qq.com QQ : 1605935956