IRAYPLE 大华华睿 PFM-TXHU64218W-A-1A1 工业光源
● 尺寸设计灵活且多样性
● 发光颜色可按需自有搭配组合
● 高品质LED,发光角度更大,稳定亮度高
● 标配漫射板,发光更均匀
基本参数
型号
PFM-TXHU64218W-A-1A1
类型
高均匀条形光源
颜色
白色
色温
6000 -6500K
功率
7 W
输入电压
DC24V
线缆长度
500 mm
外部接口
结构参数
灯珠排数
1
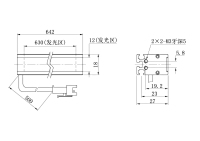
发光面尺寸
630×12 mm
冷却方式
自然冷却
漫射板
有
产品尺寸
642×18×27 mm
净重
524g
环境参数
工作温度
0~40℃
工作湿度
20~85%RH(非凝结)
储存温度
-20~60℃
储存湿度
20~85%RH(非凝结)

联系电话 : 0755-83317774 移动电话 : 18938648240 Email : 1605935956@qq.com QQ : 1605935956