HAYASHI林时计 HDB100×50S 透射型照射照明

| a | b | c | d | e |
|---|
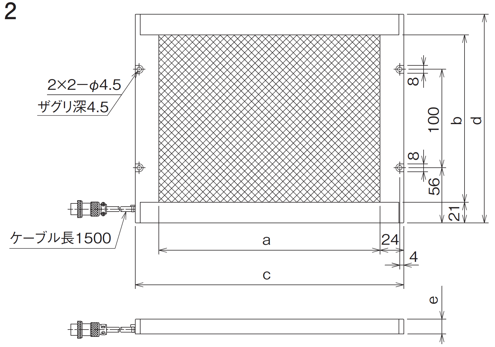
| 型式 | 発光色 | 外観図 | 寸法(mm) |
|---|
| HDB60×30S□ | 赤、白、青、緑 | 1 | 60 | 30 | 70 | 53 | 8.7 |
| HDB60×60S□ | 赤、白、青、緑 | 1 | 60 | 60 | 70 | 96 | 8.7 |
| HDB100×50S□ | 赤、白、青、緑 | 1 | 100 | 50 | 110 | 86 | 8.7 |
| HDB100×100S□ | 赤、白、青、緑 | 1 | 100 | 100 | 110 | 136 | 8.7 |
| HDB225×170S□ | 赤、白、青、緑 | 2 | 225 | 170 | 273 | 212 | 25.2 |


联系电话 : 0755-83317774 移动电话 : 18938648240 Email : 1605935956@qq.com QQ : 1605935956