MindVison迈德威视 MV-SUM33GC 相机模组
型 号
MV-SUM33GC
传感器
1/5.6"
相机类型
彩色
像元尺寸
4umx4um
有效像素
30万
曝光方式
帧曝光
分辨率@帧率
640x480最大@725fps
信噪比
40dB
动态范围
60dB
灵敏度
8V/Lux·s
AD宽度
10bit
输出像素宽度
8bit
GPIO
2个双向IO,每个IO都具备输入或输出功能,可在IO控制中配置为输入/输出/触发/闪光灯
采集模式
连续/软触发/硬触发
最大增益(倍数)
8
灵敏度
8V/Lux·s 540nm
曝光时间范围(ms)
0.0027~22.3
帧缓存
128MB
用户自定义数据区
2KB
视频输出格式
Bayer BG 8bit
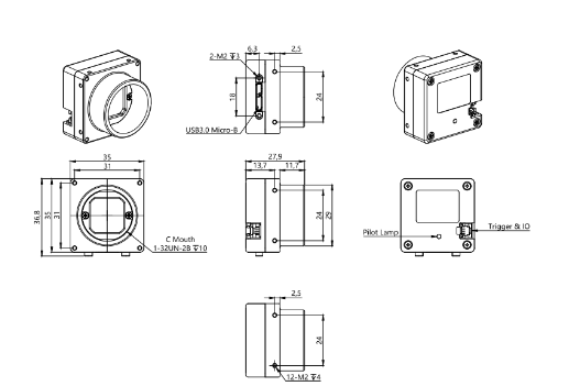
镜头接口
C口/M 1 2接口
数据接口
USB3.0、Micro B
电源供电
5V
功率
<2W
外形尺寸
35x36.8x27.9mm (为C接口尺寸,不含镜头底座和后壳接口)
重量
<75g
工作温度
0~50度
工作湿度
20~80%(无凝结)
储存温度
-30~60度
储存湿度
20~95%(无凝结)
操作系统
WINXP、WIN7/8/10 32&64位系统, Linux和ARM Linux驱动、安卓平台驱动、MAC OS系统
驱动程序
Directshow组件 Halcon专用组件 Labview专用驱动 OCX组件 TWAIN组件
编程语言包
C/C++/C#/VB6/VB.NET/Delphi/BCB/Python/Java
其它功能
支持任意尺寸的ROI自定义分辨率、对比度和伽马调节、饱和度调节、白平衡校正、黑电平校正、自定义死 点坐标校正、ISP图像处理加速、3D降噪、自定义LUT表、帧率调节、自定义相机名称等

联系电话 : 0755-83317774 移动电话 : 18938648240 Email : 1605935956@qq.com QQ : 1605935956