Thorlabs索雷博    LF5067-E1  负弯月透镜
特性
- 真空级氟化钙基底
- 提供Ø1/2英寸和Ø1英寸版本
- 宽带增透膜,用于2 - 5 μm的范围
- 焦距范围:-20.0到-1000.0 mm
Thorlabs的Ø1/2英寸和Ø1英寸氟化钙(CaF2)负弯月透镜双面都镀有宽带减反膜,用于2 - 5 μm的光谱范围。这种镀膜显著减少了基底表面的反射率,整个增透膜范围具有高透过率且吸收极少。详情请参见曲线标签。
氟化钙常用于在红外和紫外光谱范围都需要高透过率的应用。这种材料具有较低的折射率,从180 nm至8.0 μm的使用范围内,折射率在1.35到1.51之间。氟化钙也有很好的化学惰性,和它类似的氟化钡、氟化镁、氟化锂相比,它也具有很高的硬度。
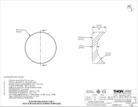
负弯月透镜的中间位置比边缘位置要薄,可以使光线发散,它的设计目的是减小三级球差。当用于发散光线时,凸面应该朝向光束以减少球差。它们常与其它透镜一起使用,可以增加焦距,从而减小数值孔径(NA)。
| Common Specifications | 
|---|
| Substrate Material | Vacuum-Grade Calcium Fluoridea | 
| AR Coating Range | 2 - 5 μm | 
| Reflectance Over AR Coating Range @ 0° AOI
 
 | Ravg < 1.25%, Rabs < 3.0% | 
| Transmission Over AR Coating Range @ 0° AOI
 
 | Tavg > 94%, Tabs > 90% | 
| Diameters Available | 1/2" or 1" | 
| Diameter Tolerance | +0.0/-0.1 mm | 
| Thickness Tolerance | ±0.1 mm | 
| Focal Length Tolerance | ±2% | 
| Surface Quality | 40-20 (Scratch-Dig) | 
| Spherical Surface Powerb | 3λ/2c | 
| Spherical Surface Irregularity (Peak to Valley)
 | λ/2c | 
| Centration | < 3 arcmin | 
| Clear Aperture | >90% of Diameter | 
| Design Wavelength | 4 μm | 
- 点击链接查看详细的基底规格。
- 类似于平面光学元件的表面平整度,光圈数(surface power)为球面光学元件的表面相对校准基准的偏差度,除非另有说明,一般是针对633 nm光源。此参数也常称为曲面拟合。
- λ = 633 nm。
2 - 5 µm增透膜曲线
 Click to Enlarge
Click to Enlarge
Click Here for an Excel File with Plot Data
上图给出了镀E1膜的氟化钙基底的测量反射率和波长之间的函数关系图。2 - 5 μm范围内的平均反射率小于1.25%。蓝色阴影区域表示增透膜优化的波段。此区域外的性能不能保证且差异较大。上面的excel文档提供了延伸波长范围的镀膜曲线数据。
 Click to Enlarge
Click to Enlarge
Click Here for an Excel File with Plot Data
上图给出了镀E1膜的氟化钙基底的测量透过率和波长之间的函数关系图。蓝色阴影区域表示增透膜优化的波段。此区域外的性能不能保证且差异较大。上面的excel文档提供了延伸波长范围的镀膜曲线数据。
 Click to Enlarge
Click to Enlarge
Click Here for an Excel File with Plot Data
上图为未镀膜的5 mm厚氟化钙样品的测量透过率曲线。

联系电话 : 0755-83317774  移动电话 : 18938648240 Email : 1605935956@qq.com QQ : 1605935956