Thorlabs索雷博 LJ1075L1-C 平凸柱面透镜
特性
- 由N-BK7玻璃制成
- 准直、圆形化激光二极管的输出
- 增透膜波长范围:1050 - 1700 nm
- 焦距:3.9 mm - 1000.0 mm
- 焦距公差:±1%
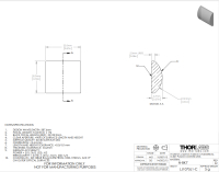
正柱面透镜是一维放大应用的理想选择。球面透镜对入射光在两个方向上的作用是对称的,而柱面透镜对入射光只有一个方向上的作用。典型的应用是用一对柱面透镜实现变形光束的整形。一对正柱面透镜可以用于准直和圆形化激光二极管的输出。另一个可能的应用是用单个柱面透镜将发散的光束聚焦到探测器阵列上。为了最小化球差,当把光束聚焦成一条线时应将准直光源从透镜的曲面入射,而要把线光源准直时应让线光源从透镜的平面入射。
这些N-BK7平凹柱面透镜可选未镀膜版本,或是镀有三种增透膜之一的版本,用来降低透镜每个表面的光反射。本页面主要介绍设计用于1050 - 1620 的-C镀膜透镜。关于镀-A(350 - 700 nm)或-B(650 - 1050 nm)增透膜的透镜在其他页面查询。镀膜信息可查看曲线标签
关于笼式系统与透镜套管的兼容性,请参看安装好的平凸圆柱面透镜。这些透镜通常更容易集成到标准的光机系统中。
| Plano-Convex Cylindrical Lens Selection Guide |
|---|
| Substrate | N-BK7 | UV Fused Silica | N-BK7 (Round) | UV Fused Silica (Round) |
AR Coating Range | Uncoated 350 - 700 nm 650 - 1050 nm 1050 - 1700 nm | Uncoated 245 - 400 nm 350 - 700 nm 650 - 1050 nm 1050 - 1700 nm | Uncoated 350 - 700 nm 650 - 1050 nm 1050 - 1700 nm | Uncoated 350 - 700 nm 650 - 1050 nm 1050 - 1700 nm |
| Common Specifications |
|---|
| Substrate Material | N-BK7a |
| Broadband AR Coatingb | 1050 - 1700 nm |
Avg Reflectance over Coating Range | < 0.5% |
| Design Wavelength | 587.6 nm |
| Length Tolerance | +0.0 / -0.1 mm |
| Height Tolerance | +0.0 / -0.1 mm |
| Center Thickness Tolerance | ±0.2 mm |
| Focal Length Tolerance | ±1% |
| Surface Quality | 60-40 Scratch-Dig |
| Damage Threshold | 7.5 J/cm2 (1542 nm, 10 ns, 10 Hz, Ø0.123 mm) |
| Centration | For f ≤50 mm: < 5 arcmin For f >50 mm: < 3 arcmin |
Surface Flatness (Plano Side) | Height | λ/2 |
| Length | λ/2 |
Cylindrical Surface Powerc (Convex Side) | Height | 3λ/2 |
| Length | 3λ/2 |
Irregularity (Peak to Valley) | Height (Plano, Convex) | λ/4, λ |
| Length (Plano, Convex) | λ/4, λ/cm |
| Clear Aperture | >90% of Surface Dimensions |
- 点击链接查看关于基底的详细规格
- 未镀膜的波长范围:350 nm - 2.0 µm
- 类似平面光学元件表面平整度,球面表面折光度是表面弯曲的光学元件与校准参考面之间的偏差参数,校准参考面通常对于633 nm源,除非特别注明。这个参数通常也称曲面拟合度.
所有柱面透镜都提供未镀膜的版本,由N-BK7制成的柱面透镜可镀有以下宽带增透膜中的一种:
-A:350-700 nm,-B:650-1050 nm,-C:1050-1700 nm
这些高性能的多层增透膜能够将指定波长范围内的表面反射降低至小于0.5%(每个面)。每个曲线的中心峰值都小于0.25%。这些膜专为0至30度(0.5NA)的入射角设计的。如果光学元件需要用在大的入射角度下,请考虑定制针对45度入射角优化的薄膜;此类膜在25到52度的入射角度下都有效。下图给处了该系列的标准薄膜的性能随波长变化曲线。宽带膜的典型吸收为0.25%,在反射率曲线中并无体现。

Click to Enlarge
Click Here for Raw Data

Click to Enlarge
Click Here for Raw Data
蓝色阴影区域表示最佳性能的1050 - 1700 nm指定波长范围。

联系电话 : 0755-83317774 移动电话 : 18938648240 Email : 1605935956@qq.com QQ : 1605935956