BOCIC北光世纪   BS112     光束转折器
  • BOCIC北光世纪   BS112     光束转折器

BOCIC北光世纪 BS112 光束转折器

BOCIC北光世纪   BS112     光束转折器

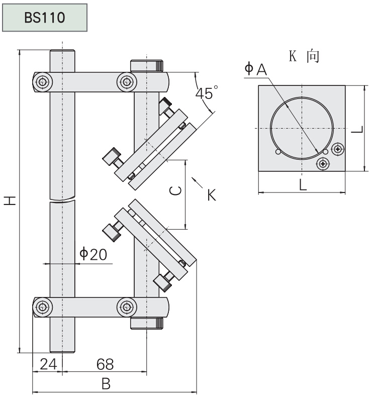
型号

BS111

BS112

光束提升高度(mm

180

倾斜调整范围

θx

±4°

θy

±4°

镜座转角

θz

360°

A夹持镜片直径

50

60

B

132

137

C

50 - 180

57 - 180

H

324

334

L

70

80

自重(kg

1

1

联系电话 : 0755-83317774  移动电话 : 18938648240 Email : 1605935956@qq.com QQ : 1605935956

联系我们 Contact us

联系电话:18938648240
固定电话:0755-83317774
邮箱:1605935956@qq.com
联系地址:深圳市龙岗区平湖双拥街
扫一扫加微信
深圳市朗磊贸易有限公司  版权所有
本站使用百度智能门户搭建 管理登录
粤ICP备12090468号