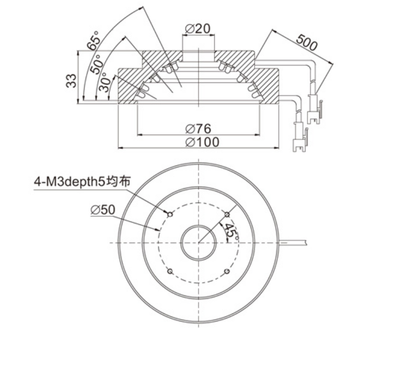
LOTS乐视 LTS-AOI100-R AOI光源
产品型号 | LTS-AOI100-R | LTS-AOI100-B |
产品类型 | AOI光源 |
LED类型 | 直插式 | 直插式 |
颜色 | 红色 | 蓝色 |
波长 | 620-630nm | 465-470nm |
色温 | -- | -- |
功率 | 4.3W |
|
输入电压 | DC 24V max. |
线缆长度 | 0.5m |
连接器型号 | SMR-03V-B |
连接器定义 | 1:正极(+)红色;2:留空;3:负极(—)黑色; |
外壳材质 | 铝合金(表面氧化发黑处理) |
冷却方式 | 自然风冷 |
外形尺寸 | 外径100x内径20x高33mm |
使用温度和湿度 | 温度 : 0 to 40ºC,湿度 : 20 to 85%RH(非凝结) |
使用寿命 | 在本公司指定使用条件下,红光5万小时,白光3万小时,亮度降低到出厂值的50% |
质保期 | 在本公司指定使用条件下,出货日起质保一年,一年内如出现故障问题,可免费维修 或更换;(一年内如亮度衰减超过50%,可免费更换新光源) |
增值服务 | 一年免费技术支持,免费出借样品测试 |
配套电源(可选) | 1.模拟控制器 2.数字控制器 3.频闪控制器 |
配套线缆(可选) | 1.LTS-EX系列(光源延长线) 2.LTS-TS系列(接头转接线) 3.LTS-SE系列(接头分接线) |
*2012年1月起,LOTS所有颜色的光源*大输入电压均为24V。
*LOTS公司保留在未事先通知的情况下对产品进行更改的权利。
*LOTS公司可根据客户需求定制紫外、红外、黄色等非标光源。
控制器推荐
LTS-2APC2424/LTS-2APC2460/LTS-2APC24120/LTS-2DPC2460/LTS-2DPC2475/LTS-2DPC24120/LTS-STU4860

联系电话 : 0755-83317774 移动电话 : 18938648240 Email : 1605935956@qq.com QQ : 1605935956