Thorlabs索雷博 C230220P-B 光纤耦合的非球面透镜对
特性
- 模压玻璃非球面透镜,具有衍射极限性能
- 聚焦或准直光,不会引入球差
- 预对准并安装在刻有型号的金属外壳中
- 增透(AR)膜用于600 - 1050 nm或1050 - 1700 nm
非球面透镜在聚焦光时不会在透射波前中引入球差。对于单色光源,球差往往会限制单个球面透镜在聚焦光时达到衍射极限性能。
我们的非球面透镜对由安装在金属外壳中的两个预对准非球面透镜组成。匹配的非球面透镜对具有两个完全相同的非球面透镜,非常适用于一对一成像,并具有接近衍射极限的性能。我们还提供光纤耦合非球面透镜对,其中两个透镜具有不同的数值孔径,非常适合将激光二极管直接耦合到多模光纤中。增透膜可选600 - 1050 nm或1050 - 1700 nm。
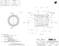
每个非球面透镜对都预安装在刻有产品型号的金属外壳中,便于识别。为便于安装,外壳具有M11 x 0.5外螺纹或M9 x 0.5外螺纹。有关如何使用Thorlabs组件将非球面透镜对集成到光机械组件中,请查看下文。
| Item # | C230220P-B | C230220P-C | C230260P-B | C230260P-C |
|---|
| Numerical Aperture | Laser Side | 0.55 |
| Fiber Side | 0.25 | 0.16 |
| AR Coating | 600 - 1050 nm | 1050 - 1700 nm | 600 - 1050 nm | 1050 - 1700 nm |
Distance to Focal Point from Housing Front | Laser Side | 2.900 mm |
| Fiber Side | 5.766 mm | 10.510 mm |
| Housing Thread | External M9 x 0.5 |
| Reference Drawing | 
| 
|
- 实现激光二极管与光纤的直接耦合
- 光纤数值孔径为0.25或0.16
- 增透膜用于600 - 1050 nm或1050 - 1700 nm
Thorlabs的光纤耦合透镜对为激光二极管与光纤的耦合提供了简单有效的解决方案。每对由两个预对准的非球面透镜组成。位于激光器一侧的第一个透镜具有0.55的数值孔径,用于收集激光二极管的发散输出。第二个透镜位于光纤一侧,数值孔径为0.25或0.16,分别适用于将光耦合到多模或单模光纤中。高NA的短焦距透镜与低NA的长焦距透镜的组合可按焦距比减小发射体的NA值。同时,发射体的尺寸也会以相同比率的倒数放大。此透镜对的增透膜可选600 - 1050 nm或1050 - 1700 nm。
透镜对安装在金属外壳中,面向激光二极管的一侧带有M9 x 0.5外螺纹。为便于安装,Thorlabs提供S1TM09转接件,可将M9 x 0.5外螺纹转为SM1螺纹,以便集成到SM1螺纹(1.035"-40)透镜套筒。另外,M09 x 0.5外螺纹也可以使用我们的RMS09转接件转为标准RMS螺纹,从而将非球面透镜对集成到其他光机械组件中。例如,RMS螺纹组件可以安装在我们的HCS013挠性位移台支架或KM100R调整架。
Click to Enlarge
Click Here for Raw Data
蓝色阴影区域表示具有最佳性能的指定600 - 1050 nm波段。
Click to Enlarge
Click Here for Raw Data
蓝色阴影区域表示具有最佳性能的指定1050 - 1700 nm波段。

联系电话 : 0755-83317774 移动电话 : 18938648240 Email : 1605935956@qq.com QQ : 1605935956