zolix卓立汉光 CXZ10-120 电动升降滑台
CXZ 系列电动升降滑台是北京卓立汉光仪器有限公司为解决小尺寸、 高重复使用 频率等情况专门设计的电动升降滑台。 该系列产品主体材料采用硬质铝合金, 表 面黑色阳极氧化处理, 耐磨性好、 外型美观。 导轨采用交叉滚柱, 强度高、 负 载能力强、 耐用性好。 采用滚珠丝杠传动, 标配二相步进电机, 可提供较高的分 辨率和重复定位精度。该系列产品非常适合集成在对空间、 尺寸、 重量要求较高 的自动化设备、 精密仪器设备等中, 也比较适合使用在运动范围较小、 往复频率 高的工业生产线中。
特点:
• 滚珠丝杠驱动,耐用性好
• 楔块结构,强度高、负载能力大
• 采用交叉滚柱导轨,运行平稳
命名规则:
主要技术规格
| 型号 | CXZ10-120 |
机械规格 | 行程(mm) | 10 |
台面尺寸(mm) | 120×120 |
传动机构 | 滚珠丝杠Φ8,导程2mm |
导轨交叉 | 滚柱导轨 |
主体材料及表面处理 | 铝合金,黑色阳极氧化处理 |
自重(kg) | 2.6 |
精度规格 | 分辨率(整步/半步,μm) | 5 / 2.5 |
20细分下的分辨率(μm) | 0.25 |
最大速度(mm/s)* | 10 |
重复定位精度(μm) | ≤±2.5 |
回程间隙(μm) | ≤5 |
静态平行度(mm) | ≤0.1 |
运动直线度(μm) | ≤30 |
电气规格 | 电机及步距角(°) | 二相42步进,1.8 |
电机品牌及型号 | 信浓,SST43D2126-10 |
工作电流(A) | 1.7 |
电机保持转矩(mN·m) | 456 |
驱动器品牌及型号(另配) | 鸣志,SR2 |
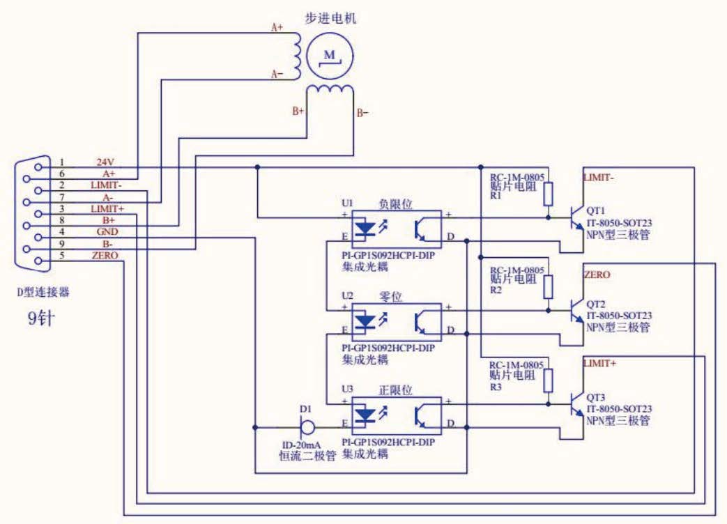
滑台接头 | DB9(针) |
滑台接头线缆类型 | 普通线缆 |
滑台接头线缆长度(m) | 0.2 |
限位传感器(内置) | 2个GP1S09xHCPI( 日本SHARP) |
原点传感器(内置) | 1个GP1S09xHCPI( 日本SHARP) |
传感器电源电压 | DC5~24V±10% |
控制输出 | NPN开路集电极输出; DC5~24V 8mA以下; 残留电压0.3V以下( 负载电流2mA时) |
输出逻辑 | 检测( 遮光) 时; 输出晶体管ON( 导通) |
负载水平 | 负载(Kg) | 8 |
*注:最大速度是在空载情况下,按照步进电机600转/分钟的理论计算速度和实际测试值。
尺寸图:
电气规格:
时序图:
滑台线缆接口及定义:
电机资料:CXZ10-120 电机参数:


联系电话 : 0755-83317774 移动电话 : 18938648240 Email : 1605935956@qq.com QQ : 1605935956