Thorlabs索雷博 MVL12WA 定焦镜头
特性
- 镜头具有3.5 mm到100 mm的固定焦距
- 变焦镜头,焦距范围从18 mm到111 mm
- 提供高分辨率(1000万像素)固定焦距的镜头
- 快镜头,最大光圈达到f/0.95
- 镜头的设计尺寸有1/2英寸、2/3英寸、1英寸或4/3英寸
- 手动控制对焦和光圈
- 带C-Mount(1.00"-32)螺纹的镜头兼容我们的大多数CMOS相机
本页出售的相机镜头经过专门设计,配合1/2英寸、2/3英寸、1英寸或4/3英寸传感器的相机使用,非常适合机器视觉应用。Thorlabs提供焦距固定的镜头(即,主镜头),在3.5 mm至100 mm的焦距范围内提供出色的光学性能,还提供2/3英寸的变焦镜头,可调节焦距为18 mm至111 mm。所有镜头都配有可锁定的对焦和光圈。
有些镜头的设计改善了光圈或分辨率性能。由于简化了光学设计,有些主镜头是快镜头,最大光圈可达f/0.95(详情请看相机镜头教程标签)。Thorlabs也提固定焦距为5 mm、25 mm和50 mm的2/3英寸镜头,分辨率200 lp/mm,通常称为1000万像素(10 MP)镜头。这些镜头非常适合高端检查或高分辨率成像应用。更多关于这些镜头的信息,可在上方的1000万像素镜头数据标签中查看调制传递函数(MTF)曲线图。
选择合适的相机和镜头可以明显改善图像质量。一般而言,镜头不应与规格大于镜头的相机传感器配合使用。虽然这些镜头可与更小规格的相机一起使用,但是所得的图像会被裁切(更多详情,请看相机镜头教程标签)。关于Thorlabs相机的传感器规格列表请看表1.1。
具有C-Mount(1.00"-32)螺纹的镜头完全兼容我们的大多数C-Mount CMOS相机和科研级相机。使用CML05 CS-转C-mount转接件时,CS-mount相机也兼容这些镜头。我们还为带M27 x 0.5内滤光片螺纹的镜头提供机器视觉滤光片。
| Table 1.1 Compatible Cameras |
|---|
| Sensor Format | Compact Scientific sCMOS Camera | Compact Scientific CMOS Cameras |
| 1/3" a | - | - |
| 1/2.9" a | - | Zelux® 1.6 MP CMOSb |
| 1/2" | - | Kiralux® 1.3 MP CMOS |
| 1/1.8" a | - | - |
| 2/3" | Quantalux® 2.1 MP sCMOS | Kiralux® 5 MP CMOS (Monochrome, Color, or Polarization) |
| 1/1.2" a | - | Kiralux® 2.3 MP CMOS |
| 1" | - | Kiralux® 8.9 MP CMOS |
- 虽然我们不提供专用于1/3英寸、1/1.8英寸、1/2.9英寸或1/1.2英寸传感器尺寸的镜头,但本页面上用于较大传感器尺寸的镜头可与这些相机一起使用,不过视场会变小(详情请看相机镜头教程标签)。
- 使用用于C-Mount镜头的SM1A10Z转接件(不包含)时,这些SM1-Mount相机兼容这些镜头。
本标签页包含了本页出售的MVL5TM23,MVL25TM23和MVL50TM23 1000万像素镜头的性能曲线图。下面给出了为每个镜头计算的物体位于无限远处时的调制传递函数(MTF)曲线图。在跨越每个镜头指定视场的四个不同全角视场处以及衍射受限的情况下计算MTF。

Click to Enlarge点击这里查看原始数据

Click to Enlarge点击这里查看原始数据

Click to Enlarge点击这里查看原始数据
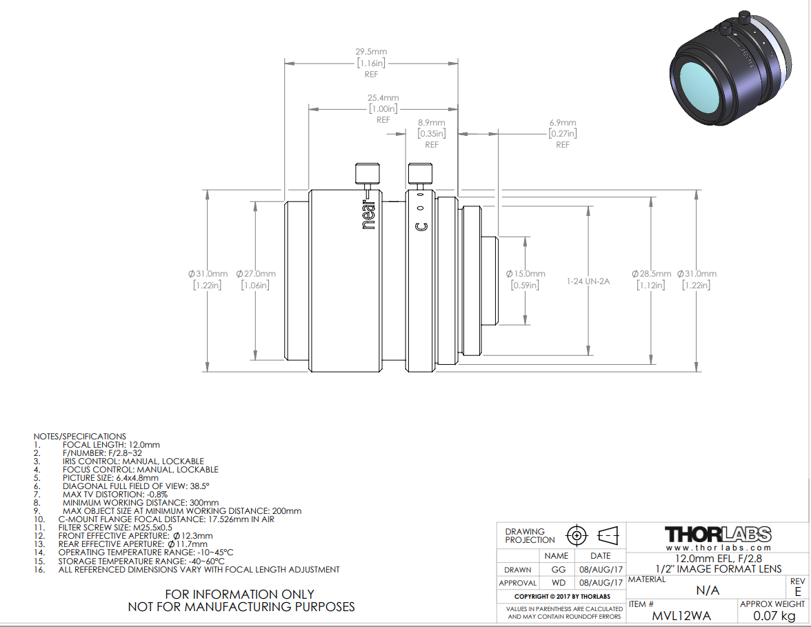
定焦镜头,焦距12 mm
每种镜头的固有规格用绿色高亮显示出来。
- MVL12M43兼容我们的科研级相机,但是与密封相机一起使用时,可能需要移除相机附带的红外滤光片。关于兼容性和推荐用途的相关问题,请联系技术支持。
- 这些镜头可与更小规格的相机传感器一起使用;但是这会导致视场减小。详情请看相机镜头教程标签。
- 视场指定为对角线。
- 视场规格为估算值。

联系电话 : 0755-83317774 移动电话 : 18938648240 Email : 1605935956@qq.com QQ : 1605935956