Thorlabs索雷博 LK4245RM 平凹圆形柱面透镜
特性
- 圆形,易于安装和调节
- 在刻字的黑色阳极氧化铝环中预先安装且对准完毕
- 在安装元件和扣环之间完全接触
- 镜片由紫外熔融石英制造
- 50.0 mm到1000.0 mm焦距可选
- 兼容SM1透镜套筒
- 圆形化激光二极管的输出光
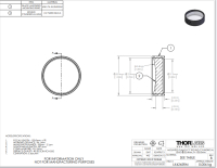
同于我们的矩形紫外熔融石英平凹圆形柱面透镜,这些Ø1英寸圆柱负透镜可用于一维扩展光束。而它们的优势在于已由环氧胶固定在圆形外环内,可以方便的安装SM1透镜套管或者任何Ø1英寸透镜安装座上。
紫外级熔融石英提供远紫外波段的高透射率,完全没有激光诱发的荧光现象(193 nm测量),使之成为紫外到近红外应用的理想选择。另外,相比N-BK7玻璃紫外熔融石英均匀性更好、热扩散因子更低。
镜筒是黑色阳极氧化铝材质,且刻有部件号、焦距和镀膜信息(如果可用)。壁厚设计使之在用SM1RR扣环安装时可与柱面透镜完全接触。
此类透镜的一个可能应用是将准直的激光器变成线光源。或者,一对柱面透镜可用于歪像光束成形。用于分散线光源的光束时,曲面应对准光源以限制像差效应。
| Plano-Concave Cylindrical Lens Selection Guide |
|---|
| Substrate | N-BK7 | UV Fused Silica | N-BK7 (Round) | UV Fused Silica (Round) |
AR Coating Range | Uncoated 350 - 700 nm 650 - 1050 nm 1050 - 1700 nm | Uncoated 245 - 400 nm 350 - 700 nm 650 - 1050 nm 1050 - 1700 nm | Uncoated 350 - 700 nm 650 - 1050 nm 1050 - 1700 nm | Uncoated 245 - 400 nm 350 - 700 nm 650 - 1050 nm 1050 - 1700 nm
|
| Common Specifications |
|---|
| Material | UV Grade Fused Silicaa |
| Wavelength Range | Uncoated: 185 nm - 2.1 µm -UV Coated: 245 - 400 nm -A Coated: 350 - 700 nm -B Coated: 650 - 1050 nm -C Coated: 1050 - 1700 nm |
| Broadband AR Coating Reflectivityb | Ravg < 0.5% |
| Design Wavelength | 587.6 nm |
| Diameter | 25.4 mm (1") |
| Diameter Tolerance | +0.00/-0.10 mm |
| Clear Aperture | >Ø21 mm |
| Focal Length Tolerance | ±1% |
| Surface Quality | 40-20 Scratch-Dig |
| Centration | ≤3 arcmin |
| Surface Flatness (Plano Side) | λ/2c |
| Surface Power (Concave Side)d | 3λ/2c |
Surface Irregularity (Concave Side) (Peak to Valley) | λc |
- 点击链接查看关于基底的详细规格。
- 仅为镀膜透镜在特定波长范围内的反射率值。对于非镀膜透镜,每一面的反射率约为4%。
- λ = 633 nm
- 与光学平板非常类似,表面折光度用于度量曲面元件表面与校准的参考规格之间的偏差,除非特别说明一般都使用633 nm光源。
| m #a | Focal Lengthb | Radius | Center Thickness | Housing Thickness | Working Distanceb | Reference Drawing |
|---|
| LK4349RM | -50.0 mm | -22.9 mm | 2.8 mm | 8.3 mm | -44.9 mm |  |
| LK4385RM | -75.0 mm | -34.4 mm | 2.0 mm | 6.3 mm | -71.3 mm |
| LK4245RM | -100.0 mm | -45.8 mm | 4.5 mm | 8.3 mm | -96.1 mm |
| LK4432RM | -150.0 mm | -68.8 mm | 5.0 mm | 8.3 mm | -146.4 mm |
| LK4082RM | -200.0 mm | -91.7 mm | 3.3 mm | 6.3 mm | -197.2 mm |
| LK4500RM | -400.0 mm | -183.4 mm | 3.6 mm | 6.3 mm | -397.5 mm |
| LK4015RM | -1000.0 mm | -458.5 mm | 3.9 mm | 6.3 mm | -997.6 mm |
- 所有规格参数适用于镀膜和未镀膜透镜。镀膜透镜的型号是在如上表给出的未镀膜透镜型号后方加上-UV、-A、-B或-C。
- 所有焦距都指定在设计波长(587.6 nm)下。因为紫外熔融石英的折射率与波长成反比,所以透镜的波长越大焦距越小。
| Common Specifications |
|---|
| Material | UV Fused Silica |
| Wavelength Range | Uncoated: 185 nm - 2.1 µm -UV Coated: 245 - 400 nm -A Coated: 350 - 700 nm -B Coated: 650 - 1050 nm -C Coated: 1050 - 1700 nm |
| Broadband AR Coating Reflectivitya | Ravg < 0.5% |
| Design Wavelength | 587.6 nm |
| Diameter | 25.4 mm (1") |
| Diameter Tolerance | +0.00/-0.10 mm |
| Clear Aperture | >Ø21 mm |
| Focal Length Tolerance | ±1% |
| Surface Quality | 40-20 Scratch-Dig |
| Centration | ≤3 arcmin |
| Surface Flatness (Plano Side) | λ/2b |
| Surface Power (Concave Side)c | 3λ/2b |
Surface Irregularity (Concave Side) (Peak to Valley) | λb |
- 仅针对镀膜透镜的指定波长范围。对于未镀膜透镜,每一面的反射率约为4%。
- λ = 633 nm
- 与光学平板非常非常类似,表面折光度用于度量曲面元件表面与校准的参考规格之间的偏差,除非特别说明都使用633 nm光源。
Click to Enlarge
Click Here for Raw Data
Click to Enlarge
Click Here for Raw Data
蓝色阴影区域表示性能最佳的245 - 400 nm指定波长范围。
Click to Enlarge
Click Here for Raw Data
蓝色阴影区域表示性能最佳的350 - 700 nm指定波长范围。
Click to Enlarge
Click Here for Raw Data
蓝色阴影区域表示性能最佳的650 - 1050 nm指定波长范围。
Click to Enlarge
Click Here for Raw Data
蓝色阴影区域表示性能最佳的1050 - 1700 nm指定波长范围。

联系电话 : 0755-83317774 移动电话 : 18938648240 Email : 1605935956@qq.com QQ : 1605935956