HIKROBOT 海康机器人 MV-SC685M-08M-WBN 视觉传感器
功能特性
采用嵌入式硬件平台,可进行高速的图像处理
植入高精度定位、测量、识别算法,可实现计数、缺陷、有无、定位等功能
IO接口丰富,可接入多路输入、输出信号
360°可视机身指示灯可实时查看设备状态,方便调试与维护
可旋转尾线出线设计,灵活适应狭窄空间
偏振、扩散、全透三路多重光学照明,超强环境适应性
IP67防护,无惧严苛的工业应用环境
支持RS-232、TCP、UDP、FTP、Modbus、PROFINET、EtherNet/IP等多种通讯模式
订货型号
MV-SC685M-08M-WBN
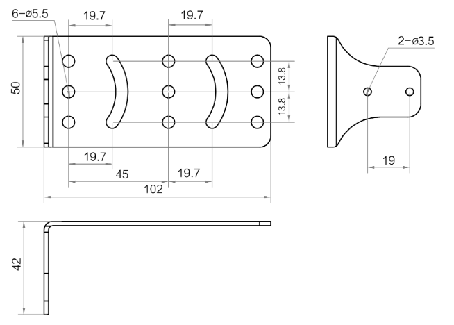
外形尺寸


*产品所涉数据可能因环境等因素而产生差异,本公司不承担由此产生的后果。
| 型号 | 型号 | MV-SC685M-08M-WBN |
| 名称 | 视觉传感器 |
| 工具 | 视觉工具 | 计数:斑点计数、边缘计数、图案计数、轮廓计数 缺陷:异常检测 有无:圆有无、直线有无、斑点有无、边缘有无、图案有无、轮廓有无 定位:标定、定位、位置修正 逻辑:分支控制、条件判断、逻辑判断、组合判断、字符比较、变量计算 测量:线线角度、直径测量、亮度均值、对比度测量、宽度测量、点线测量、灰度面积、直线角度、节距测量 识别:字符识别、码识别、注册分类、注册目标检测 深度学习:目标检测、分类 |
| 方案能力 | 支持方案导入/导出,最多可存储32个方案 |
| 通讯协议 | RS-232、TCP、UDP、FTP、PROFINET、Modbus、EtherNet/IP、MELSEC/SLMP、FINS、Keyence KV |
| 相机 | 传感器类型 | CMOS,全局快门 |
| 像元尺寸 | 3.45 μm × 3.45 μm |
| 靶面尺寸 | 1/1.45" |
| 分辨率 | 2432 × 2048 |
| 最大采集帧率 | 40 fps |
| 动态范围 | 77.8 dB |
| 信噪比 | 43 dB |
| 增益 | 0 dB ~ 15 dB |
| 曝光时间 | 6 μs ~ 1 sec |
| 像素格式 | Mono 8 |
| 黑白/彩色 | 黑白 |
| 电气特性 | 数据接口 | Fast Ethernet(100Mbit/s) |
| 数字I/O | 12-pin M12 接口提供电源和 I/O:包含 3 路光耦隔离输入(LINE0/1/2),3 路光耦隔离 输出(LINE3/4/5),1 路 RS-232 接口 支持通过顶部按钮触发设备 |
| 供电 | 24 VDC |
| 典型功耗 | 6.5 W@24 VDC |
| 结构 | 镜头接口 | M12-mount,机械对焦 |
| 焦距 | 8 mm |
| 镜头罩 | 全透+偏振+扩散镜头罩 |
| 光源 | 聚光白光,可选购红光/蓝光/红外 |
| 瞄准器 | 橙光LED |
| 指示灯 | 360°可视机身指示灯 |
| 外形尺寸 | 平角:80.1 mm × 43 mm × 44.3 mm 直角:58.5 mm × 43 mm × 65.4 mm |
| 重量 | 约190 g |
| IP防护等级 | IP67(正确安装镜头罩以及线缆的情况下) |
| 温度 | 工作温度0 ~ 50°C,储藏温度-30 ~ 70°C |
| 湿度 | 20% ~ 95%RH无冷凝 |
| 一般规范 | 软件 | SCMVS |
| 认证 | CE,KC |
联系电话 : 0755-83317774 移动电话 : 18938648240 Email : 1605935956@qq.com QQ : 1605935956