IRAYPLE 大华华睿 MH3528X 面阵镜头
● 最大支持1.1''靶面大小;
● 全系列共5款焦距,焦距包括12mm~50mm;
● 全视野12MP分辨率,中心边缘成像清晰度一致;
● 低畸变设计;
● 支持工作温度范围-10℃~50℃,成像清晰度稳定。
基本参数
结构
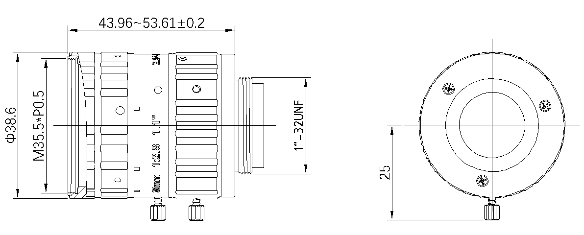
安装接口
C口
滤镜接口
M35.5xP0.5
对焦方式
手动调节
光圈控制
手动调节
产品尺寸
43.96mmxФ38.6mm
环境

联系电话 : 0755-83317774 移动电话 : 18938648240 Email : 1605935956@qq.com QQ : 1605935956