Thorlabs索雷博 LA4130-ML 平凸透镜
特性
- 提供Ø1/2英寸、Ø1英寸,Ø2英寸和Ø75 mm 透镜,安装在SM螺纹外壳中
- 紫外级熔融石英
- 波长范围:185 nm - 2.1 μm(未镀膜)
- 焦距可选择20.0 - 1000.0 mm
这些紫外级熔融石英平凸透镜可选择Ø1/2英寸、Ø1英寸,Ø2英寸和Ø75 mm 尺寸安装在螺纹安装座中,波长范围是185 nm - 2.1 μm。紫外级熔融石英在深紫外波段具有很高的透过率,并且几乎不产生激光诱导荧光(测量波长193 nm),这使其特别适合应用于紫外到近红外波段。另外,与N-BK7相比,紫外级熔融石英具有更好的均匀性和更低的热膨胀系数。
平凸透镜具有正焦距,是应用最广泛的透镜元件。它们一般用来对准直的入射光进行聚焦;在这种情况下,为了最小化球差,准直光束应从透镜的曲面入射。当成像质量不重要时,平凸透镜也可以作为消色差双胶合透镜的替代品。

虽然平凸透镜和双凸透镜都可以对准直入射光进行会聚,但在选择时,如果想要获得低于0.2或者大于5的绝对放大率,通常倾向于选取平凸透镜。当需要的放大率介于0.2和5之间时,使用双凸透镜比较适合。
| UVFS平面凸透镜选型指南 |
|---|
| 未安装的镜片 | 安装式镜头 |
| 无涂层的 | 无涂层 |
| 紫外光涂层(245 - 400 纳米) | 紫外线涂层(245-400纳米) |
| 涂层(350 - 700 纳米) | 涂层(350 - 700 纳米) |
| -AB涂层(400 - 1100纳米) | -AB涂层(400至1100纳米) |
| T1 纹理表面(400 - 1100 纳米) | T1 纹理表面(400 - 1100 纳米) |
| B涂层(650 - 1050纳米) | B涂层(650 - 1050纳米) |
| C涂层(1050 - 1700 纳米) | C涂层(1050至1700纳米) |
| -405 纳米镀膜(405 纳米) | - |
| -532 V型镀膜(532 纳米) | - |
| YAG 532/1064纳米波长镀膜 | YAG 镀V膜(532/1064纳米) |
| -1064 纳米镀膜(针对1064纳米波长) | - |
| -1550 纳米增透膜(1550 纳米) | - |
我们还提供定制镀膜。
| 紫外熔融石英平凸透镜,未镀膜 |
|---|
| 镜片形状 | 平凸 |
| 材料 | 紫外级熔融石英a |
| 波长范围 | 185纳米至2.1微米 |
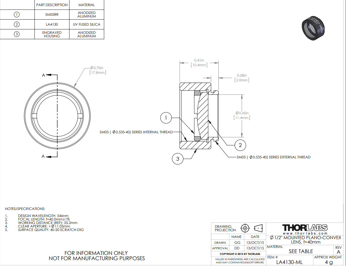
| 直径可选 | Ø1/2" SM05螺纹安装座 (0.535"-40) SM1螺纹接口中的Ø1" (1.035"-40) "Ø2" 在 SM2-螺纹安装中 (2.035"-40) SM3螺纹接口的直径75毫米 (3.035"-40) |
| 直径公差 | 正0.00毫米 / 负0.10毫米 |
| 清晰孔径 | Ø1/2" 镜片:直径>11.05毫米 镜头:>Ø22.86毫米 Ø2" 镜片:直径>45.72毫米 直径75毫米的镜头:大于67.50毫米 |
| 设计波长 | 546纳米b |
折射率 (@546 纳米) | 1.460 |
| 表面质量 | 40-20划痕-凹点 |
表面平整度 普莱诺 | 半波长 |
球面屈光度 凸面c | 3λ/2 |
表面不平整 峰谷值 | 四分之一波长 |
| 集中化 | ≤3角分 |
| 焦距公差 | ±1% |
- 点击链接查看关于基底的详细规格
- 对于LA4052-ML、LA4306-ML、LA4148-ML、LA4725-ML和LA4380-ML,设计波长为587.6纳米。
- 类似于平面光学元件的表面平整度,光圈数(surface power)为球面光学元件的表面相对校准基准的偏差度,除非另有说明,一般是针对633 nm光源。此参数也常称为曲面拟合。

点击放大
点击这里原始数据
图2.1:这是入射光垂直入射到10 mm厚未镀膜紫外级熔融石英样品的透过率曲线。
请注意这是实际测量的透过率结果,包含了表面反射。
| UVFS平面凸透镜选型指南 |
|---|
| 未安装的镜片 | 安装式镜头 |
| 无涂层的 | 无涂层的 |
| 紫外线涂层(245-400纳米) | 紫外线涂层(245-400纳米) |
| 涂层(350 - 700 纳米) | 涂层(350 - 700 纳米) |
| -AB涂层(400 - 1100纳米) | -AB涂层(400 - 1100纳米) |
| T1 纹理表面(400 - 1100 纳米) | T1 纹理表面(400 - 1100 纳米) |
| B涂层(650 - 1050纳米) | B涂层(650 - 1050纳米) |
| C涂层(1050 - 1700 纳米) | C涂层(1050 - 1700 纳米) |
| YAG 增透膜(532/1064 纳米) | YAG增透膜(532/1064纳米) |
| -405 纳米镀膜(405 纳米) | - |
| -532 镀膜(532 纳米) | - |
| -1064 镀膜(1064 纳米) | - |
| -1550纳米镀膜(1550纳米) | - |
本页出售的透镜还可以选择镀宽带增透膜的版本,图2.2给出了它们的反射率曲线。
这些高性能的多层增透膜在指定波长范围上平均反射率小于0.5%(每个表面),并在0°到30°(0.5 NA)的入射角范围内提供良好性能。图2.2的曲线图为系列产品标准镀膜的性能随波长变化的曲线。宽带镀膜的典型吸收率为0.25%,它在反射率曲线中没有给出。

图2.2:Thorlabs标准宽带增透膜(8° AOI)的反射率曲线图。

联系电话 : 0755-83317774 移动电话 : 18938648240 Email : 1605935956@qq.com QQ : 1605935956