Thorlabs索雷博 LJ5440RM-D 平凸圆形柱面透镜
特性
- 180 nm到8.0 µm的氟化钙基底
- 可选不镀膜版本,也可选1.65-3.0 µm或 2 - 5 µm宽带增透膜
- 安装在刻有焦距长的Ø1/2英寸或Ø1英寸外壳内
- 多种焦距从20 mm到200 mm
- 把准直光聚焦成一条线
- 有助于校正散光
Thorlabs已安装圆形柱面透镜沿单轴聚焦或准直光线。此页面销售的透镜都是使用在整个中红外区域都有高透射率的氟化钙基底制造,如曲线标签所示。它们的焦距范围从20 mm到200 nm,您可以订购未镀膜版本或镀有宽带增透膜的版本。镀增透膜的版本在1.65 - 3.0 µm波长范围提供小于1.0%的平均反射率(每面),在2 - 5 µm波长范围内提供1.25%的平均反射率(每面)。
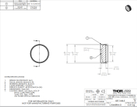
不同于典型的长方形外壳安装的柱透镜,这类柱透镜封装在圆形黑色阳极氧化铝外壳中,见页面上方的图示。每个外壳都刻有产品编号和焦距;外壳可以通过卡环固定到光学元件安装座和旋转安装座,以及Ø1/2英寸或Ø1英寸透镜套筒。因为他们只能在一维聚焦光线,所以组成一对能够变形图像或者校正散光。这个属性在中红外量子级联激光器和间带级联激光器中尤其有用,因为它们输出光线在纵轴上有非常不同发散角。
氟化钙一般用于在紫外到中红外光谱范围内要求高透射率的应用中。氟化钙材料使用在180 nm到8.0 μm范围内折射率低,从1.51到1.35变化。氟化钙的化学性质稳定,相比于氟化钡、氟化镁和氟化锂有更优越的硬度,具体请见我们的光学基底网页。
为了将引入的球差最小化,光源应在穿过透镜时逐渐弯曲。因此当用平凸透镜聚焦准直光束时,准直光束的入射面应为透镜的曲面。相似的,当准直点光源时,发散的光束应该在透明平的一面入射。
| Common Specificationsa |
|---|
| Substrate | Calcium Fluoride (CaF2)b |
| Design Wavelength | 4 µm |
| Focal Length Tolerance | ±1% |
| Surface Quality | 40-20 Scratch-Dig |
| Centration | < 5 arcmin |
| Surface Flatness (Plano Side) | λ/2c |
| Cylindrical Surface Powerd (Convex Side) | 3λ/2c |
- 请见下方表格查看特定产品的规格。
- 点击链接查看详细的基底规格
- λ = 633 nm
- 与光学平板非常非常类似,表面折光度用于度量曲面元件表面与校准的参考规格之间的偏差。该规格也常称为曲面拟合度。

Click to Enlarge
Click Here for Raw Data
此图展示了未镀膜10 mm厚氟化钙样品的总透射率。

Click to Enlarge
此图展示了我们1.65 - 3.0 µm增透镀膜的氟化钙柱透镜的理论反射率(单面)。阴影区域表示增透膜的规定波长范围。在此范围内,平均反射率小于1%。

Click to Enlarge
Click Here for Raw Data from 1.0 to 5.5 µm
此图展示了我们2 - 5 µm增透镀膜的氟化钙柱透镜的理论反射率(单面)。阴影区域表示增透膜的规定波长范围。在此范围内,平均反射率小于1.25%。

联系电话 : 0755-83317774 移动电话 : 18938648240 Email : 1605935956@qq.com QQ : 1605935956