Thorlabs索雷博 AC127-075-A-ML 消色差双胶合透镜
特性
- 镀有增透膜,用于400 - 700 nm
- 直径可选范围:5 mm到2英寸
- 刻有螺纹的外壳,便于集成到Thorlabs的光机械组件中
- Ø1/2英寸以上的透镜外壳包含焦距和镀膜信息
- 可选焦距范围:7.5 mm到1000 mm
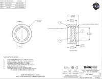
Thorlabs用于可见光的消色差双胶合透镜具有预安装在带螺纹的安装座中的版本,便于将这些光学元件集成到您的装置中。它们有7种直径可供选择:Ø5 mm、Ø6 mm、Ø6.35 mm、Ø8 mm、Ø1/2英寸、Ø1英寸和Ø2英寸。如需未安装的版本,请查看我们的可见光消色差双胶合透镜。
直径1/2英寸以上的安装座上刻有清晰的产品编号、焦距、增透镀膜。所刻箭头从透镜曲率半径较大的一侧(较平侧)指向曲率半径较小的一侧,并指示准直点源的推荐光传播方向。如果聚焦准直光束,所刻箭头应指向与光传播相反的方向。无穷符号表示这个透镜的共轭比在无穷远处(即,如果发散光源放置在距离透镜平坦表面一个焦距的位置时,从弯曲表面出来的光束将是准直光束)。Ø1/2英寸以下的安装座只刻有产品编号。
这些消色差双胶合透镜专门用于可见光区域(400 - 700 nm),且经过计算机优化具有无限共轭比。使用的设计波长为氦"d"(587.6 nm,黄色),氢"F"(486.1 nm,蓝色/绿色)和氢"C"(656.3 nm,红色)线,因为它们合理地代表了可见光光谱,并且用来定义材料的阿贝数Vd。对于波长范围小于410 nm的应用,Thorlabs的空气间隔紫外双胶合透镜提供低至240 nm的优良性能。
消色差双胶合透镜对于控制色差非常有用,使用激光等单色光源时,它们经常用来产生衍射受限的光斑。关于消色差胶合透镜的优越性(与单透镜相比),请参见上面的应用标签。
表G1.1到G5.1中,正曲率半径曲线表明,当透镜的方向如参考图纸所示时,其表面是向右开放的;而负曲率半径则表明其开口向左。无论是正透镜还是负透镜都有一个无限共轭比率(即,如果一个发散光源放置在透镜较平一面的焦点上,我们会在曲面外获得准直光束)。
为了获得最佳性能,透镜曲率半径最大的一侧(最平坦的一侧)应背对准直光束。详细信息请查看表G1.1到G5.1中参考图纸链接中的图。
定制消色差透镜
Thorlabs的光学元件部门具有全面的生产能力,允许我们针对OEM订单和小批量的一次性订单提供各种定制的消色差光学元件。客户定义的尺寸、焦距、基底材料、粘合材料和镀膜的消色差光学元件都可以定制。另外,我们还能提供库存产品规格要求之外的光学元件。更多信息或者要求定制采购,请联系技术支持。
Click to Enlarge
点击这里获取数据
| General Specifications |
|---|
| Design Wavelengths | 486.1 nm, 587.6 nm, 656.3 nm |
| AR Coating Range | 400 - 700 nm |
Reflectance Over AR Coating Range (0° AOI) | Ravg < 0.5% |
| Diameters Available | 5 mm, 6 mm, 6.35 mm, 8 mm, 1/2", 1", or 2" |
| Diameter Tolerance | +0.00/-0.10 mma |
| Focal Length Tolerance | ±1% |
| Surface Quality | 40-20 Scratch-Dig |
| Spherical Surface Powerb,c | 3λ/2 |
Spherical Surface Irregularity (Peak to Valley)c | λ/4 |
| Centration | ≤3 arcmin |
| Clear Aperture | >90% of Diameter |
| Damage Thresholdd | Pulse | 0.5 J/cm2 (532 nm, 10 ns Pulse, 10 Hz, Ø0.566 mm) |
| CWe | 300 W/cm (532 nm, Ø1.000 mm) |
| Operating Temperature | -40 °C to 85 °C |
- AC080-030-ML、AC508-75-A-ML、ACT508-200-A-ML、ACT508-250-A-ML、ACT508-400-A-ML、ACT508-500-A-ML、ACT508-750-A-ML和ACT508-1000-A-ML的直径公差为+0.0 mm / -0.1 mm,AC254-080-A-ML和AC254-125-A-ML的直径公差为0.00 mm / -0.1 mm。
- 类似平面光学元件的表面平整度,球面表面折光度是表面弯曲的光学元件与校准参考面之间的偏差参数。这个参数通常也称曲面拟合度。
- 633 nm处。
- 双胶合透镜的损伤阈值受到粘合剂的限制。对于要求更高损伤阈值的应用,可以考虑我们的空气间隔双胶合透镜。
- 光束的功率密度应以W/cm为单位计算。关于为何线性功率密度是长脉冲和连续波光源的最佳量度,请查看损伤阈值标签。
| Mounted Achromat Diameter | Mounting Threads |
|---|
| Ø5 mm, Ø6 mm, or Ø6.35 mm | M9 x 0.5 |
| Ø8 mm | M12 x 0.5 |
| Ø1/2" | SM05 (0.535"-40) |
| Ø1" | SM1 (1.035"-40) |
| Ø2" | SM2 (2.035"-40) |
| Achromatic Doublets Selection Guide |
|---|
| Unmounted Lenses | Mounted Lenses |
| Visible (400 - 700 nm) | Visible (400 - 700 nm) |
| Extended Visible (400 - 1100 nm) | Extended Visible (400 - 1100 nm) |
| Near IR (650 - 1050 nm) | Near IR (650 - 1050 nm) |
| IR (1050 - 1700 nm) | IR (1050 - 1700 nm) |
| Achromatic Doublet Kits |
每种消色差双胶合透镜的详细信息,都能够在它的支持文档中的Zemax®文件中找到。图2.1到2.5是应用Zemax®文件进行性能检测的一些例子。
焦移和波长的关系
Thorlabs的消色差双胶合透镜经过优化,在较宽的带宽范围内具有几乎恒定的焦距。这是通过使用多透镜设计将透镜色差降至最低来实现的。双胶合透镜中的第一个透镜(正透镜)的色散通过第二个透镜(负透镜)来校正,因此比球面单透镜或非球面透镜具有更好的宽带性能。图2.1显示了AC254-400-A随波长变化的近轴焦移,透镜为焦距400 nm的Ø25.4 mm消色差双胶合透镜,镀有400 - 700 nm波长范围的增透膜。

Click to Enlarge
图2.1:AC254-400-A消色差双胶合透镜随波长变化的近轴焦移
波前误差和光斑尺寸
Thorlabs的球面双胶合透镜可矫正多种像差,包括球差、色差和彗差。表征校正理论水平的一种方法是通过波前误差和光线追迹来确定光斑尺寸。例如,图2.2中像平面的波前图给出了使用AC254-125-C校正像差的信息。在此示例中,波前误差理论上在3/100波长的量级。这意味着对于经过透镜中心和整个孔径区域的光线,光程差(OPD)是非常小的。
图2.3中给出了AC254-250-C透镜像面上光斑尺寸的光线追迹。在这种近红外消色差双胶合透镜中,追踪三种设计波长(706.5 nm、855 nm和1015 nm)通过透镜的情况,并以不同的颜色表示。围绕光线截距分布的圆环代表艾里斑的直径。如果光斑尺寸在艾里斑范围内,一般认为透镜具有衍射极限。光斑尺寸是通过几何光线追迹光线绘制的,但由于衍射,无法得到比艾里斑小很多的光斑。

Click to Enlarge
图2.2 AC254-125-C像面上波前图

Click to Enlarge
图2.3 AC254-250-C像面上光斑尺寸的光线追迹
理解调制传递函数,MTF
调制传递函数图像质量是透镜的重要特征。通常通过对比度来衡量。调制传递函数曲线经常用作图像质量的理论和实际描述。透镜的MTF描述了透镜在不同分辨率水平下将对比度从对象传输到图像的能力。一般情况下,通过对由不同间距的黑白条纹组成的分辨率测试靶成像,就能够测量对比度。100%的对比度是由纯黑白线条组成。随着对比度的下降,线条分界开始变得模糊。MTF曲线给出了随着线条间距的变小,对比度的百分比。对象的线条间距通常代表空间频率,单位为cycles/mm。
Zemax®所计算的MTF曲线通常呈现的是加权平均结果,其中包含来自多个波长的值,此曲线被称为多色MTF曲线。由于较短和较长波长都具有不同的分辨率限制,因此具有不同的单个MTF曲线,根据曲线计算中包含的波长,可能会产生不同数量的多色MTF曲线。
点击放大
图2.4 AC254-200-B的理论调制传递函数
图中给出了Ø25.4 mm、f=200 mm近红外消色差双胶合透镜的理论MTF。约20 cycles/mm的空间频率时,对比度对应83%。这说明间距为0.05 mm的线条有83%的对比度。理论MTF表示如果光学元件完全按照设计尺寸制造时透镜的性能。事实上,由于制造公差,大多数光学元件的MTF将低于理论值。

图2.5 上图是以USAF 1951分辨率板作为对象的测量结果。对于这个目标对象,测得的对比度为82.3%。

联系电话 : 0755-83317774 移动电话 : 18938648240 Email : 1605935956@qq.com QQ : 1605935956