zolix卓立汉光 RCCB-20-5 中空回反射镜
SIGMA KOKI中空回反射镜
和角锥棱镜一样,可以反射所有入射的光线,返回到原来入射方向的光学元件。
将3个反射镜精密地90度组合在一起,没有玻璃的折射率的波长分散或玻璃的吸收的影响。
·中空回反射镜经过精密加工·调节,可以高精度返回光线。·可用于从紫外光到近红外的宽波长谱区。·没有因为玻璃引起的波长分散,返回光的光束位置不会随波长变化产生差异。
·偏光特性较小,也可以用于利用偏光的多重光路干涉仪等中。
中空回反射镜共同指标

中空回反射镜功能说明图

注意
▶光束入射到角锥棱镜时,光束能够正确地以与入射角度相同的角度返回。光束的入射位置偏离角锥棱镜的中心时,光束将从中心的另一侧在偏离中心相同距离的位置射出。
▶中空角锥反射镜的3个反射面的交叉接合处存在缝隙,从入射 出射面观察室可以看到6根不反射光束的呈放射状棱线。使用细的激光光束时,请不要使光束接触到这6根棱线。
▶中空角锥反射镜具有铝反射膜的一些偏光特性。
▶请不要用纸擦拭反射面。由于铝膜没镀有保护膜所以容易受损。请用清洁用压缩气罐吹走灰尘后使用。
▶铝膜的反射率为85%〜90%(1面),由于中空角锥反射镜必定是3面反射,所以返回光的效率为61%〜73%。
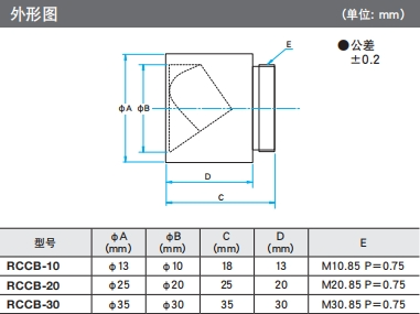
中空回归反射器外形图


中空回归反射器技术指标

联系电话 : 0755-83317774 移动电话 : 18938648240 Email : 1605935956@qq.com QQ : 1605935956