IRAYPLE 大华华睿 AX5F57CT250 面阵工业相机
● 万兆网接口,提供10Gbps有效带宽;
● 专利授权的平整度调解方案,杜绝区域虚焦;
● 优秀的散热设计,精准控制温度,保持温度恒定;
● 1GB 板上缓存用于突发模式下数据传输或图像重传;
● 支持软件触发/硬件触发/自由运行多种触发模式;
● 支持自定义ROI,支持水平镜像,支持垂直镜像;
● 支持自动曝光,自动增益,自动黑电平,伽马矫正,LUT等ISP功能;
● 黑白相机支持自动对比度,彩色相机支持自动白平衡;
● 支持逐点FFC校正,提供更均匀的画质;
● 支持设置sensor目标温度的风扇转速自适应功能;
● 兼容GigE Vision协议及GenlCam标准;
● 支持DC12-24V宽压供电,优先推荐24V;
● 符合CE,FCC,KC,RoHS认证。
基本参数
传感器
GMAX3265
传感器类型
29.9 mm × 22.4 mm CMOS
快门类型
Global
分辨率
9344 × 7000
帧率
17.4 fps
位深
12 bit
黑白/彩色
彩色
像元
3.2 μm × 3.2 μm
图像参数
像素
65MP
信噪比
40dB
动态范围
66dB
图像格式
BayerRG8/BayerGB8
ROI
支持
X翻转
支持
Y翻转
支持
增益
1~32
白平衡
支持
伽马
范围0~4,支持LUT
快门曝光
16μS~15S
图像采集模式
软件触发/硬件触发/自由运行
性能参数
配置通道
支持2组用户自定义配置保存
缓存
1GB数据缓存
接口参数
电源参数
结构参数
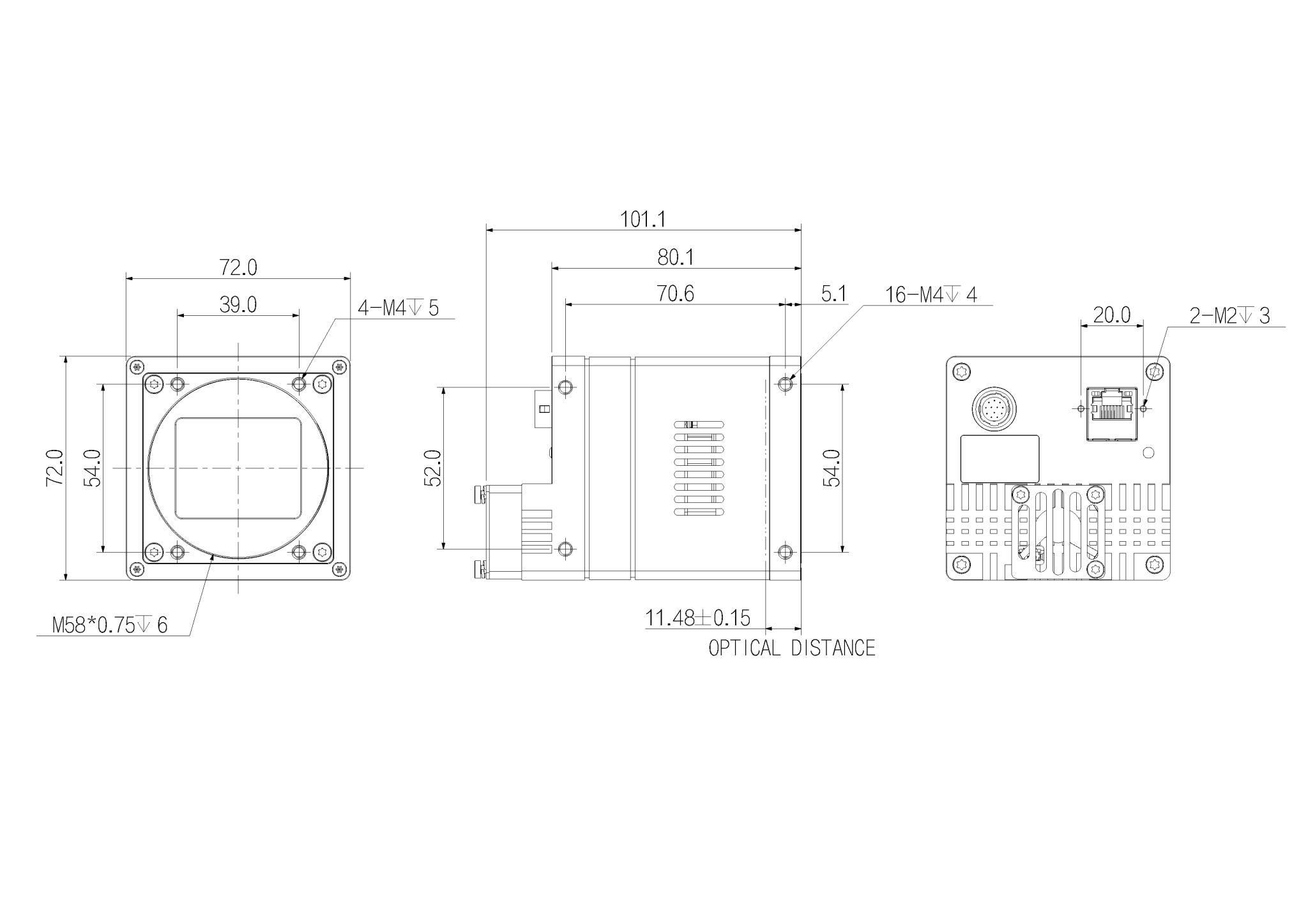
产品尺寸
72mm*72mm*80mm(不含后壳接口)
净重
600 g
环境参数
储存温度
- 30℃~+80℃
工作温度
- 30℃~+50℃

联系电话 : 0755-83317774 移动电话 : 18938648240 Email : 1605935956@qq.com QQ : 1605935956