Thorlabs索雷博 LJ4572RM 平凸圆形柱面透镜
特性
- 圆形,易于安装和调节
- 预先安装在刻字的阳极氧化发黑铝材中
- 外壳与卡环之间完全接触
- 透镜由紫外熔融石英制造
- 50.0 mm到1000.0 mm的焦距可选
- 兼容SM1透镜套筒
- 允许在一维方向放大
- 准直&圆化激光二极管的输出光
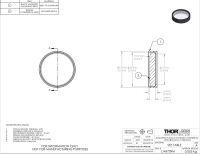
与我们的矩形紫外熔融石英平凸圆形柱面透镜一样,这里的Ø1英寸圆形柱面正透镜可用于聚焦光束,且仅在一维方向上。然而,它们额外的优势在于它们被胶粘到圆形外壳中,使其可安装在我们的SM1透镜套管或任何Ø1英寸透镜安装座上。
紫外级熔融石英在深紫外波段具有高透射率,并且几乎没有激光诱发的荧光现象(在193 nm下测量),使之成为紫外到近红外应用的理想选择。另外,相比N-BK7玻璃,紫外熔融石英均匀性更好,热膨胀系数更低。
外壳是经过氧化发黑的铝材,且刻有产品型号、焦距和镀膜信息(如有)。壁的厚度设计成在用SM1RR卡环固定圆形柱面透镜时与透镜完全接触。
这些透镜的一个可行应用是将发自参比气池的荧光聚焦成一条细线,成像在光电倍增管上。或者,一对柱面透镜可用于准直和圆化激光二极管的光输出。为最小化球差,在将准直光束聚焦为线光时,应将准直光束入射在圆形柱面透镜的曲面,而用于准直时线光源应该入射在平面一侧。
| Plano-Convex Cylindrical Lens Selection Guide |
|---|
| Substrate | N-BK7 | UV Fused Silica | N-BK7 (Round) | UV Fused Silica (Round) |
AR Coating Range | Uncoated 350 - 700 nm 650 - 1050 nm 1050 - 1700 nm | Uncoated 245 - 400 nm 350 - 700 nm 650 - 1050 nm 1050 - 1700 nm | Uncoated 350 - 700 nm 650 - 1050 nm 1050 - 1700 nm | Uncoated 245 - 400 nm 350 - 700 nm 650 - 1050 nm 1050 - 1700 nm |
| Common Specifications |
|---|
| Material | UV Grade Fused Silicaa |
| Wavelength Range | Uncoated: 185 nm - 2.1 µm -UV Coated: 245 - 400 nm -A Coated: 350 - 700 nm -B Coated: 650 - 1050 nm -C Coated: 1050 - 1700 nm |
| Broadband AR Coating Reflectivityb | Ravg < 0.5% |
| Design Wavelength | 587.6 nm |
| Diameter | 25.4 mm (1") |
| Diameter Tolerance | +0.00/-0.10 mm |
| Clear Aperture | >Ø21 mm |
| Focal Length Tolerance | ±1% |
| Surface Quality | 40-20 Scratch-Dig |
| Centration | ≤3 arcmin |
| Surface Flatness (Plano Side) | λ/2c |
| Surface Power (Convex Side)d | 3λ/2c |
Surface Irregularity (Convex Side) (Peak to Valley) | λc |
- 点击链接查看关于基底的详细规格。
- 仅为镀膜透镜在特定波长范围内的反射率值。对于非镀膜透镜,每一面的反射率约为4%。
- λ = 633 nm
- 与光学平板非常类似,表面折光度用于度量曲面元件表面与校准的参考规格之间的偏差,除非特别说明一般都使用633 nm光源。
| m #a | Focal Lengthb | Radius | Center Thickness | Housing Thickness | Working Distanceb | Reference Drawing |
|---|
| LJ4709RM | 50.0 mm | 22.9 mm | 6.0 mm | 8.3 mm | 44.6 mm |  |
| LJ4878RM | 75.0 mm | 34.4 mm | 6.0 mm | 8.3 mm | 69.6 mm |
| LJ4395RM | 100.0 mm | 45.8 mm | 6.0 mm | 8.3 mm | 94.6 mm |
| LJ4643RM | 150.0 mm | 68.8 mm | 6.0 mm | 8.3 mm | 144.6 mm |
| LJ4667RM | 200.0 mm | 91.7 mm | 6.0 mm | 8.3 mm | 194.6 mm |
| LJ4281RM | 250.0 mm | 114.6 mm | 4.0 mm | 6.3 mm | 246.0 mm |
| LJ4572RM | 300.0 mm | 137.5 mm | 4.0 mm | 6.3 mm | 296.0 mm |
| LJ4377RM | 400.0. mm | 183.4 mm | 4.0 mm | 6.3 mm | 396.0 mm |
| LJ4147RM | 500.0 mm | 229.2 mm | 4.0 mm | 6.3 mm | 496.0 mm |
| LJ4530RM | 1000.0 mm | 458.5 mm | 4.0 mm | 6.3 mm | 996.0 mm |
- 所有规格参数适用于镀膜和未镀膜透镜。镀膜透镜的型号是在如上表给出的未镀膜透镜型号后方加上-UV、-A、-B或-C。
- 所有焦距都指定在设计波长(587.6 nm)下。因为紫外熔融石英的折射率与波长成反比,所以透镜的波长越大焦距越小。
| Common Specifications |
|---|
| Material | UV Fused Silica |
| Wavelength Range | Uncoated: 185 nm - 2.1 µm -UV Coated: 245 - 400 nm -A Coated: 350 - 700 nm -B Coated: 650 - 1050 nm -C Coated: 1050 - 1700 nm |
| Broadband AR Coating Reflectivitya | Ravg < 0.5% |
| Design Wavelength | 587.6 nm |
| Diameter | 25.4 mm (1") |
| Diameter Tolerance | +0.00/-0.10 mm |
| Clear Aperture | >Ø21 mm |
| Focal Length Tolerance | ±1% |
| Surface Quality | 40-20 Scratch-Dig |
| Centration | ≤3 arcmin |
| Surface Flatness (Plano Side) | λ/2b |
| Surface Power (Convex Side)c | 3λ/2b |
Surface Irregularity (Convex Side) (Peak to Valley) | λb |
- 仅针对镀膜透镜的指定波长范围。对于未镀膜透镜,每一面的反射率约为4%。
- λ = 633 nm
- 与光学平板非常非常类似,表面折光度用于度量曲面元件表面与校准的参考规格之间的偏差,除非特别说明都使用633 nm光源。
Click to Enlarge
Click Here for Raw Data
Click to Enlarge
Click Here for Raw Data
蓝色阴影区域表示性能最佳的245 - 400 nm指定波长范围。
Click to Enlarge
Click Here for Raw Data
蓝色阴影区域表示性能最佳的350 - 700 nm指定波长范围。
Click to Enlarge
Click Here for Raw Data
蓝色阴影区域表示性能最佳的650 - 1050 nm指定波长范围。
Click to Enlarge
Click Here for Raw Data
蓝色阴影区域表示性能最佳的1050 - 1700 nm指定波长范围。

联系电话 : 0755-83317774 移动电话 : 18938648240 Email : 1605935956@qq.com QQ : 1605935956