HIKROBOT 海康机器人 MV-CE200-10GM 工业面阵相机
功能特性
支持Global Reset模式,可配合光源取得运动环境下无拖影的图像
支持自动或手动调节增益、曝光时间、LUT、Gamma校正等
千兆网接口,无中继情况下,最远传输距离可到100m
彩色相机植入优异的图像插值算法,优秀的颜色还原特性
兼容GigE Vision协议V2.0及GenlCam标准,无缝链接第三方软件
订货型号
MV-CE200-10GM
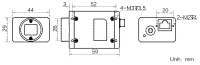
外形尺寸

*产品所涉数据可能因环境等因素而产生差异,本公司不承担由此产生的后果。
| 型号 | 型号 | MV-CE200-10GM |
| 名称 | 2000万像素网口面阵相机,IMX183,黑白 |
| 性能 | 传感器类型 | CMOS,卷帘快门 |
| 传感器型号 | Sony IMX183 |
| 像元尺寸 | 2.4 μm × 2.4 μm |
| 靶面尺寸 | 1” |
| 分辨率 | 5472 × 3648 |
| 最大帧率 | 5.9 fps@5472 × 3648 Mono 8 |
| 动态范围 | 65.5 dB |
| 信噪比 | 41.5 dB |
| 增益 | 0 dB ~ 20 dB |
| 曝光时间 | 46 μs ~ 2 sec |
| 快门模式 | 支持自动曝光、手动曝光、一键曝光模式及 Global Reset 功能 |
| 黑白/彩色 | 黑白 |
| 像素格式 | Mono 8/10/10Packed/12/12Packed |
| Binning | 支持 1 × 1,2 × 2,4 × 4 |
| 下采样 | 不支持 |
| 镜像 | 支持水平镜像 |
| 电气特性 | 数据接口 | Gigabit Ethernet(1000 Mbit/s)兼容Fast Ethernet(100 Mbit/s) |
| 数字I/O | 6-pin P7接头提供供电和 I/O:1 路光耦隔离输入(Line0),1 路光耦隔离输出(Line1),1 路双向可配置非隔离 I/O(Line2) |
| 供电 | 12 VDC,支持PoE供电 |
| 典型功耗 | 3.1 W@12 VDC |
| 结构 | 镜头接口 | C-Mount |
| 外形尺寸 | 44 mm × 29 mm × 59 mm |
| 重量 | 约 100 g |
| IP防护等级 | IP30(正确安装镜头以及线缆的情况下) |
| 温度 | 工作温度 0 ~ 50°C,储藏温度-30 ~ 70°C |
| 湿度 | 20% ~ 80%RH 无冷凝 |
| 一般规范 | 软件 | MVS 或第三方支持 GigE Vision 协议软件 |
| 操作系统 | Windows XP/7/10/11 32/64bits,Linux 32/64bits 以及 MacOS 64bits |
| 协议/标准 | GigE Vision V2.0,GenICam |
| 认证 | CE,RoHS,KC |
联系电话 : 0755-83317774 移动电话 : 18938648240 Email : 1605935956@qq.com QQ : 1605935956