SVS-Vistek视微力科 hr65CCX 工业相机
| 规格 |
| 分辨率 [MP] | 65 议员 |
| 分辨率 (hxv) | 9344 x 7000 像素 |
| 帧速率(最大) | 35.5 帧每秒 |
| 色度 | 颜色 |
| 界面 | CXP-6 带 4 个连接 (Din1.0/2.3) |
| 传感器 |
| 传感器 | GMAX3265 |
| 制造商 | 像素 |
| 传感器类型 | 区域 CMOS |
| 快门类型 | 全局快门 |
| 传感器尺寸(高 x 宽) | 29.9 x 22.4 毫米 |
| 光学对角线 | 37.36 毫米 |
| 传感器格式 | 37.4毫米 |
| 像素大小 (hxv) | 3.2 x 3.2 微米 |
| 相机 |
| 曝光模式 | 手动;自动 |
| 触发模式 | 内部;软件;外部 |
| 曝光时间(分钟) | 12 微秒 |
| 曝光时间(最大) | 10 秒 |
| 像素格式/最大 | bayer8、bayer10/10 位 |
| 增益模式 | 手动,自动 |
| 信噪比(最大) | 40 dB (取决于环境) |
| 动态范围(最大) | 65.6 dB (取决于环境) |
| 内部存储器 | 512 MB SDRAM,160 MB 闪存 |
| 功能集 |
| 手动白平衡 | 是的 |
| 自动白平衡 | 是的 |
| 光学检查 | 是的 |
| 查找表 | 是的 |
| 抵消 | 是的 |
| 分箱 | 是的 |
| 图像翻转 | 是的 |
| 序列发生器 | 是的 |
| 聚CXP | 是的 |
| 住房 |
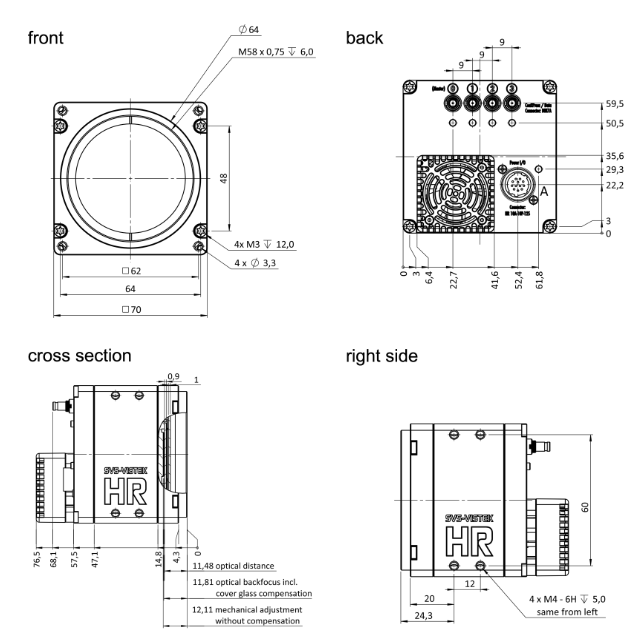
| 镜头卡口 | M58x0.75 |
| 尺寸(宽 x 高 x 深) | 70 x 70 x 75.9 毫米 |
| 重量 | 420 克 |
| 工作温度(外壳) | -10 至 65 °C |
| 环境湿度 | 10 至 90% (无凝结) |
| 防护等级 | IP30 |
| 滤光片/盖玻片 | 红外截止 680 |
| I/O 接口 |
| 输入高达 24V | 2 x |
| 输入光耦 | 1 x |
| 输出开漏 | 4 x |
| 输入/输出 RS-232 | 1 x |
| 电源 | 10 至 25 V(直流) |
| 功耗 | 10.5 W (取决于操作模式) |

联系电话 : 0755-83317774 移动电话 : 18938648240 Email : 1605935956@qq.com QQ : 1605935956