HAYASHI林时计 LA-150UE 工业光源
| 12V 鹵灯灯泡 |
|
|---|
| 100W灯泡型号 | JCR12V100W10H |
|---|
| 色温度 | 3,100K |
|---|
| 平均寿命 ※1 | 1,000H |
|---|
| 平均照度 ※2 | 500,000lx |
|---|
| 50W灯泡型号 | JCR12V50W20H |
|---|
| 色温度 | 3,000K |
|---|
| 平均寿命 ※1 | 2,000H |
|---|
| 平均照度 ※2 | 260,000lx |
|---|
※1. 灯泡寿命是参考值,非保证值。 ※2. 使用φ5mm、长500mm,工作距离15mm距离的测定值。 |
| 型号 | LA-150UE |
|---|
| 额定输入电压 | AC100-120V / 200-240V ±10% |
|---|
| 频率 | 50/60Hz |
|---|
| 耗电量 | 180W(150W灯泡最大规格负载时) |
|---|
| 亮灯方式 | 直流亮灯方式 |
|---|
| 照度稳定性 ※3 | 输入电压 ±10%时 照度变动±0.3% ※ |
|---|
| 光量调节 | 电压可变方式 |
|---|
| 可変電圧範囲 | DC3-12V/14V |
|---|
| 光量可变范围 | 2-100% |
|---|
| 冷却方式 | 强冷风扇 |
|---|
| 过滤片 | 热线吸收过滤片 |
|---|
| 使用温度范围 | 0-+40℃ |
|---|
| 使用湿度范围 | 20-80%RH(无结露) |
|---|
| 使用保险丝 | AC250VT4A玻璃管保险丝(φ5.2×20mm) |
|---|
| 机能1 | 灯泡ON/OFF |
|---|
| 机能2 | 光亮程控调节 |
|---|
| 机能3 | 灯泡烧断检测(监视LED灯显示) |
|---|
| 安全规格 | UL61010-1 |
|---|
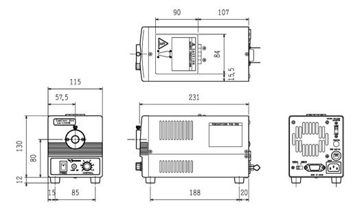
| 外形尺寸 | W115×H130×D231mm (不含凸起部分) |
|---|
| 重 量 | 約2.6kg |
|---|
※3. 灯泡变化是対象外。 ※4. 无特别要求时,,出厂装150w灯泡。 |
| 15V 鹵灯灯泡 |
|
|---|
| 150W灯泡型号 | JCR15V150W5H/5 |
|---|
| 色温度 | 3,100K |
|---|
| 平均寿命 ※1 | 700H |
|---|
| 平均照度 ※2 | 650,000lx |
|---|
|
|
|---|
※1. 灯泡寿命是参考值,非保证值。 ※2. 使用φ5mm、长500mm,工作距离15mm距离的测定值。 |

联系电话 : 0755-83317774 移动电话 : 18938648240 Email : 1605935956@qq.com QQ : 1605935956