zolix卓立汉光 Omni-λ7515i 光谱仪
功能及特点
标准配置手动狭缝,自动狭缝可选;
双出口可同时配置两个CCD;
侧入口可接电子快门;
采用C-T结构设计,采用超环面影像校准设计;
多光栅塔台设计,更好的发挥了仪器覆盖UV-VIS-IR全波段光谱范围的优势,并可根据需要更加灵活的选择光谱范围和分辨率;
光栅采用68x68mm(68x84mm)大面积光栅,提高了光收集效率;适应不同光谱波段使用的光栅选择,覆盖UV-IR全波段范围;针对红外(>1um) 波段的*优化设计,光学镜片采用镀金膜设计,提高红外光反射效率;
更好的杂散光抑制比,达到1x10-5;
仪器的控制(如光栅转换、波长扫描等)全部由计算机控制,并用 USB2.0接口取代传统的RS-232接口,不仅使仪器的连接更加简单化更极大提高了通讯速率;
采用DSP芯片控制设计使得多出入口的选择更加具有灵活性,可根据需要选择双入、出口;双入、出口的控制通过计算机软件自动控制,定位更精*;
可灵活与卓立光源、探测器(单点探测器和阵列CCD等)组合搭建,实现任意光谱系统解决方案,如荧光、拉曼、透射/反射、吸收光谱及光源发射光谱系统等。
规格参数表(@1200g/mm光栅)
Omni-λ750i系列 |
焦距(mm) | 750 |
相对孔径 | F/9.7 |
光学结构 | C-T |
扫描步距(nm) | 0.005 |
杂散光 | 1X10-5 |
焦平面(mm) | 30 (w)X14 (h) |
光轴高度(mm) | 146 |
光栅规格mm | 68X68 |
光栅台 | 三光栅 |
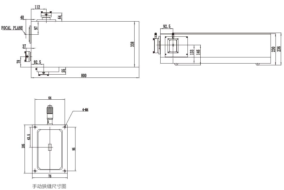
狭缝规格 | 缝宽0.01-3mm连续手动可调,可选配自动狭缝。缝高:2、4、14mm可选 |
外形尺寸(mm) | 800X338X230 |
重量(Kg) | 32.5 |
功耗 | 峰值100W@24V |
通讯接口 | 标配USB2.0,可选RS-232 |
规格参数表@不同光栅
光栅(g/mm) | 2400 | 1800 | 1200 | 600 | 300 | 150 | 75 |
倒线色散(nm/mm) @435.83nm |
0.43 |
0.63 |
1.02 |
2.14 |
4.36 |
8.77 |
17.58 |
机械扫描范围(nm) | 0-600 | 0-800 | 0-1200 | 0-2400 | 0-4800 | 0-9600 | 0-19200 |
扫描步距(nm) | 0.0025 | 0.0035 | 0.005 | 0.01 | 0.02 | 0.04 | 0.08 |
光谱分辨率(nm) @ PMT |
0.02 |
0.03 |
0.03 |
0.06 |
0.12 |
0.24 |
0.36 |
光谱分辨率(nm) @CCD(15um) |
0.033 |
0.048 |
0.077 |
0.162 |
0.33 |
0.663 |
1.329 |
CCD单次摄谱范围(nm) @30mmCCD |
12.9 |
18.9 |
30.6 |
64.2 |
130.8 |
263.1 |
527.4 |
波长准确度(nm) | ±0.1 | ±0.14 | ±0.2 | ±0.4 | ±0.8 | ±1.6 | ±3.2 |
波长重复性(nm) | 0.015 | 0.02 | 0.025 | 0.05 | 0.1 | 0.4 | 0.8 |
注1:分辨率的测试条件为中心波长435.83nm;
注2:CCD一次摄谱范围、倒线色散为中心波长为435.83nm下的典型值,随着中心波长增加,摄谱范围变窄;
注3:随着中心波长的增大,倒线色散数值减小,随着中心波长的减小,倒线色散数值增大。
Omni-λ750i系列“影像谱王”光栅单色仪/光谱仪典型型号表
型号 | 描述 |
Omni-λ7504i | 750mm焦距影像校正光谱仪,侧入口、CCD双出口、可同时安装三块光栅 |
Omni-λ7505i | 750mm焦距影像校正光谱仪,侧入口、狭缝直出口、可同时安装三块光栅 |
Omni-λ7506i | 750mm焦距影像校正光谱仪,侧入口、CCD直出口、可同时安装三块光栅 |
Omni-λ7507i | 750mm焦距影像校正光谱仪,侧入口、狭缝双出口、可同时安装三块光栅 |
Omni-λ7508i | 750mm焦距影像校正光谱仪,侧入口、CCD直出口、狭缝侧出口、可同时安装三块光栅 |
Omni-λ7515i | 750mm焦距影像校正光谱仪,侧入口、狭缝直出口、可同时安装三块光栅,红外镀膜 |
Omni-λ7517i | 750mm焦距影像校正光谱仪,侧入口、狭缝双出口、可同时安装三块光栅,红外镀膜 |
Omni-λ7524i | 750mm焦距影像校正光谱仪,双入口、CCD双出口、可同时安装三块光栅 |
Omni-λ7527i | 750mm焦距影像校正光谱仪,双入口、狭缝双出口、可同时安装三块光栅 |
Omni-λ7528i | 750mm焦距影像校正光谱仪,双入口、CCD直出口、狭缝侧出口、可同时安装三块光栅 |
Omni-λ7547i | 750mm焦距影像校正光谱仪,侧入口、狭缝双出口、可同时安装三块光栅,紫外镀膜 |
Omni-λ7548i | 750mm焦距影像校正光谱仪,侧入口、CCD直出口、狭缝侧出口、可同时安装三块光栅,紫外镀膜 |
注1:本型号系列,为手动狭缝(电动狭缝需要额外选择);
注2:本型号系列,需要额外选配光栅,*多可配置3块光栅;
注3:本型号系列,不包含CCD接口法兰、滤光片轮、快门,这些附件需要额外选择;
注4:更多配置型号,请咨询本公司相关销售。
典型光谱仪Omni-λ7528i外形尺寸图:

Omni-λ750i入口
Omni-λ750i出口
光栅规格型号表1:光栅(本系列适用于Omni-λ300i、Omni-λ500i、Omni-λ750i等系列光谱仪)
注:凡蓝色标注的均为常备库存光栅,建议优先选择
Model | Range(nm) | Grooves(g/mm) | Blaze(nm) | Size(mm) |
Holographic |
|
|
|
|
1-360-180-500-NP | 180-400 | 3600 | 300 | 68 x 68 |
1-240-250-600-NP | 250-600 | 2400 | 300 | 68 x 68 |
1-240-190-800-NP | 190-600 | 2400 | 250 | 68 x 68 |
1-200-300-900-NP | 300-720 | 2000 | 475 | 68 x 68 |
1-180-350-900-NP | 350-800 | 1800 | 500 | 68 x 68 |
1-180-190-900-NP | 190-800 | 1800 | 250 | 68 x 68 |
1-120-190-800-NP | 190-800 | 1201.6 | 250 | 68 x 68 |
1-120-400-1200-NP | 400-1200 | 1200 | 700 | 68 x 68 |
Ruled |
|
|
|
|
1-240-240-NP | 190-600 | 2400 | 240 | 68 x 68 |
1-240-300-NP | 250-600 | 2400 | 300 | 68 x 68 |
1-180-400-NP | 300-800 | 1800 | 400 | 68 x 68 |
1-180-500-NP | 350-800 | 1800 | 500 | 68 x 68 |
1-120-250-NP | 200-500 | 1200 | 250 | 68 x 68 |
1-120-300-NP | 200-600 | 1200 | 300 | 68 x 68 |
1-120-400-NP | 200-1000 | 1200 | 400 | 68 x 68 |
1-120-500-NP | 350-1100 | 1200 | 500 | 68 x 68 |
1-120-750-NP | 500-1200 | 1200 | 750 | 68 x 68 |
1-090-550-NP | 350-1600 | 900 | 550 | 68 x 68 |
1-083-1200-NP | 700-1700 | 830 | 1200 | 68 x 68 |
1-060-300-NP | 200-600 | 600 | 300 | 68 x 68 |
1-060-500-NP | 330-1000 | 600 | 500 | 68 x 68 |
1-060-750-NP | 500-1500 | 600 | 750 | 68 x 68 |
1-060-1000-NP | 650-2200 | 600 | 1.0 µm | 68 x 68 |
1-060-1200-NP | 800-2400 | 600 | 1.2 µm | 68 x 68 |
1-060-1600-NP | 1-2.4 µm | 600 | 1.6 µm | 68 x 68 |
1-030-300-NP | 200-600 | 300 | 300 | 68 x 68 |
1-030-500-NP | 300-1000 | 300 | 500 | 68 x 68 |
1-030-760-NP | 450-1500 | 300 | 760 | 68 x 68 |
1-030-1000-NP | 600-2000 | 300 | 1000 | 68 x 68 |
1-030-1200-NP | 800-2200 | 300 | 1200 | 68 x 68 |
1-030-2000-NP | 1.4-4 µm | 300 | 2.0 µm | 68 x 68 |
1-030-3000-NP | 2-4.8 µm | 300 | 3.0 µm | 68 x 68 |
1-015-300-NP | 200-600 | 150 | 300 | 68 x 68 |
1-015-500-NP | 330-1100 | 150 | 500 | 68 x 68 |
1-015-800-NP | 400-1600 | 150 | 800 | 68 x 68 |
1-015-1000-NP | 600-2000 | 150 | 1090 | 68 x 68 |
1-015-1250-NP | 800-2500 | 150 | 1250 | 68 x 68 |
1-015-2000-NP | 1.1-4 µm | 150 | 2 µm | 68 x 68 |
1-015-3000-NP | 2.2-6 µm | 150 | 3 µm | 68 x 68 |
1-015-4000-NP | 2.5-8 µm | 150 | 4 µm | 68 x 68 |
1-0075-8000-NP | 6-16 µm | 75 | 8 µm | 68 x 68 |
1-0075-10000-NP | 6-18 µm | 75 | 10 µm | 68 x 68 |
1-0075-12000-NP | 9-20 µm | 75 | 12.0 µm | 68 x 68 |
1-0050-12000-NP | 8-22 µm | 50 | 12 µm | 68 x 68 |
光栅规格型号表2:经济型光栅(本系列适用于Omni-λ300i、Omni-λ500i、Omni-λ750i等系列光谱仪)
注:凡蓝色的标注的均为常备库存光栅,建议优先选择
型号 | 使用范围(nm) | 光栅刻线(g/mm) | 闪耀波长(nm) | 规格尺寸(mm) |
刻划光栅 |
|
|
|
|
1-180-500 | 350-800 | 1800 | 500 | 68×68 |
1-120-300 | 200-600 | 1200 | 300 | 68×68 |
1-120-500 | 350-1000 | 1200 | 500 | 68×68 |
1-120-750 | 500-1200 | 1200 | 750 | 68×68 |
1-060-300 | 200-600 | 600 | 300 | 68×68 |
1-060-500 | 330-1000 | 600 | 500 | 68×68 |
1-060-750 | 500-1500 | 600 | 750 | 68×68 |
1-060-1000 | 650-2200 | 600 | 1000 | 68×68 |
1-060-1250 | 800-2400 | 600 | 1250 | 68×68 |
1-060-1600 | 1-2.4um | 600 | 1600 | 68×68 |
1-030-500 | 300-1000 | 300 | 500 | 68×68 |
1-030-750 | 450-1500 | 300 | 750 | 68×68 |
1-030-1000 | 600-2000 | 300 | 1000 | 68×68 |
1-030-1250 | 850-2500 | 300 | 1250 | 68×68 |
1-030-1800 | 1.2-3.6um | 300 | 1800 | 68×68 |
1-030-2000 | 1.4-4um | 300 | 2000 | 68×68 |
1-030-3000 | 2-4.8um | 300 | 3000 | 68×68 |
1-015-500 | 350-1000 | 150 | 500 | 68×68 |
1-015-4000 | 2.5-8um | 150 | 4000 | 68×68 |
典型光栅效率曲线


联系电话 : 0755-83317774 移动电话 : 18938648240 Email : 1605935956@qq.com QQ : 1605935956