Thorlabs索雷博 MAP052550-B 近红外消色差双胶合透镜对
特性
- 增透膜波长为400 - 700 nm或650 - 1050 nm
- 图像中继、NA转换或图像放大的理想选择
- 不同的放大率,用于成像和数值孔径的匹配
- 清晰标识的焦距,便于快速辨别
- 兼容Thorlabs的SM05或SM1螺纹组件
Thorlabs的匹配消色差透镜对结合了我们的两个未安装的消色差双胶合透镜,用于图像中继系统、NA转换或图像放大。我们的消色差双胶合透镜设计用于无限共轭比,但成对使用时非常适合有限共轭应用。在有限共轭应用中,物和像到透镜对的距离都是有限的。
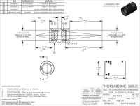
这些透镜对安装在SM05(0.535"-40)或SM1(1.035"-40)螺纹外壳中,它们的外径分别为Ø0.7英寸和Ø1.2英寸。外壳上刻有产品型号、焦距和放大率等信息,便于快速识别。由于透镜已经预先安装,所以使用时不需要夹持光学元件,这样就使这些消色差透镜极其适合集成到OEM应用当中。
要达到指定放大率,请在安装时将外壳具有较短焦距透镜的一端靠近物体;若要缩小成像,则将透镜对反向放置。若透镜对的焦距相同,则无论朝向如何放大率均为1:1。
Click to Enlarge
点击这里查看原始数据
图1.1 阴影区域表示可实现最佳性能的650 - 1050 nm指定波长范围。
| General Specifications |
|---|
| Design Wavelengths | 706.5, 855, and 1015 nm |
| Focal Length Tolerance | ±1% |
Reflectance (650 - 1050 nm) | Ravg < 0.5% |
Click for Details
图1.2 Ø1英寸消色差双合透镜对通过一个SM1T2转接件安装在CP33笼板内。
与传统球面单透镜相比,该匹配的消色差透镜对包装更加简单,当用于图像重迭时具有出色的性能。图2.1所示为利用两个经过优化的LA1509-A N-BK7平凸透镜对Thorlabs的标志进行成像。图2.2中利用MAP10100100-A对该标志进行成像,其成像质量有显著的改善。MAP配置的胶合透镜对能够将球差和色差最小化,具有更好的成像能力。
图2.1 LA1509-A透镜对
图2.2 MAP10100100-A透镜对

联系电话 : 0755-83317774 移动电话 : 18938648240 Email : 1605935956@qq.com QQ : 1605935956