IRAYPLE 大华华睿 A9-0828-6MP 面阵镜头
● 最大支持 1/1.8''靶面大小;
● 全系列共7款焦距,焦距包括6mm~50mm;
● 全视野6MP分辨率,边缘清晰度好;
● 近距设计,更合适工业视觉检测场景;
● 超低畸变设计,色差优化设计;
● 支持工作温度范围-20℃~50℃,成像清晰度稳定;
基本参数
结构
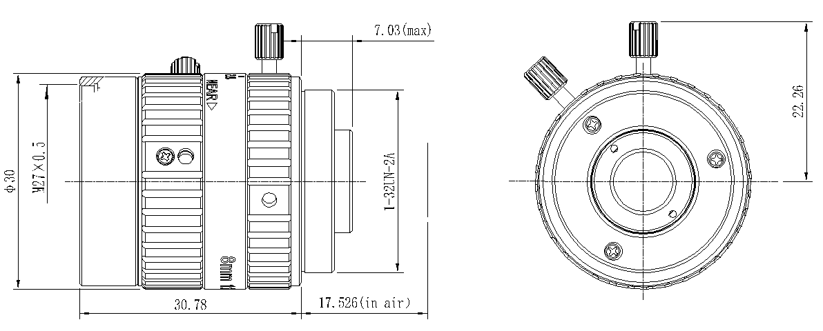
安装接口
C口
滤镜接口
M27×P0.5
对焦方式
手动调节
光圈控制
手动调节
产品尺寸
31.1×Ф30 mm
环境

联系电话 : 0755-83317774 移动电话 : 18938648240 Email : 1605935956@qq.com QQ : 1605935956